探索中…
申し訳ございません。
予期せぬエラーにより目的の部品が見つかりませんでした。
OK
新規会員登録
お気に入り
ログイン
0
現在お見積リストに商品はございません。
草刈機専門店【モア】が運営する部品専門サイト
メーカ:CANYCOM(筑水キャニコム)
機 種:MASAO(まさお)
型 式:CM2403HC/HCS
ページ:-
メーカ選択に戻る
機種選択に戻る
型式選択に戻る
ページ選択に戻る
小さな部品も精細に表示するため、データ量が多くなっております。
画面の読み込みに時間を要する場合がありますが、あらかじめご了承ください。
×閉じる
パーツリスト【ページ選択】
目次を開く
目 次
スクロールできます
閉じる
本体 FIG1 エンジン
本体 FIG2 エンジンコントロール
本体 FIG3 電装
本体 FIG4 燃料タンク
本体 FIG5 フレーム
本体 FIG6 カバー
本体 FIG7 リアカバー
本体 FIG8 バンパー
本体 FIG9 ミッション(チャージポンプ無)
本体 FIG10 フロントアクスル
本体 FIG11 前輪(AG)
本体 FIG12 後輪(AG)
本体 FIG13 動力伝達(走行)
本体 FIG14 動力伝達(刈刃)
本体 FIG15 刈刃駆動
本体 FIG16 ステアリング
本体 FIG17 ステアリングAssy
本体 FIG18 走行操作レバー
本体 FIG19 副変速レバー
本体 FIG20 ブレーキ(左)
本体 FIG21 デフロック
本体 FIG22 シート
本体 FIG23 刈刃リンク
本体 FIG24 刈高レバー(HST左操作)
本体 FIG25 刈刃カバー
本体 FIG26 刈刃
本体 FIG27 刈刃ブレーキ
ミッション FIG1 ケース
ミッション FIG2 第2軸
ミッション FIG3 第1軸
ミッション FIG4 アクスル
ミッション FIG5 デフ
ミッション FIG6 ブレーキ
ミッション FIG7 PTO
ミッション FIG8 シフター
ミッション FIG9 デフシフト
ミッション FIG10 刈刃軸
CHST 補修部品 FIG1 ~NO.03634
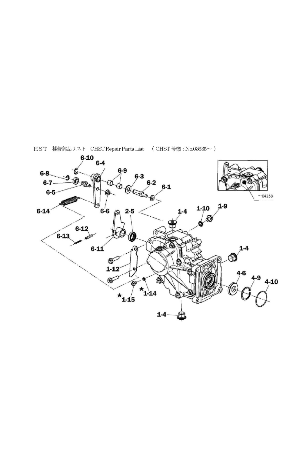
CHST 補修部品 FIG2 NO.03635~
カートを見る
新規会員登録
お気に入り
ログイン
ホームに戻る
カテゴリ一覧
TOP
CANYCOM(筑水キャニコム)
MASAO(まさお)
OREC(オーレック)
ブルモアー(ハンマーナイフ)
ラビットモアー(乗用)
スパイダーモアー(斜面刈り)
スパイダーモアーRC(ラジコン)
ウイングモアー(あぜ2面刈り)
クワガタモアー(幹周刈り)
オートモアー(小型草刈機)
エースローター(小型管理機)
バーディ(小型管理機)