探索中…
申し訳ございません。
予期せぬエラーにより目的の部品が見つかりませんでした。
OK
新規会員登録
お気に入り
ログイン
0
現在お見積リストに商品はございません。
草刈機専門店【モア】が運営する部品専門サイト
メーカ:OREC(オーレック)
機 種:ウイングモアー(あぜ2面刈り)
型 式:WM646
ページ:-
メーカ選択に戻る
機種選択に戻る
型式選択に戻る
ページ選択に戻る
小さな部品も精細に表示するため、データ量が多くなっております。
画面の読み込みに時間を要する場合がありますが、あらかじめご了承ください。
×閉じる
パーツリスト【ページ選択】
目次を開く
目 次
スクロールできます
閉じる
ハンドル部 1/2
ハンドル部 2/2
前輪駆動部 1/4
前輪駆動部 2/4
前輪駆動部 3/4
前輪駆動部 4/4
フレーム部 1/7
フレーム部 2/7
フレーム部 3/7
フレーム部 4/7
フレーム部 5/7
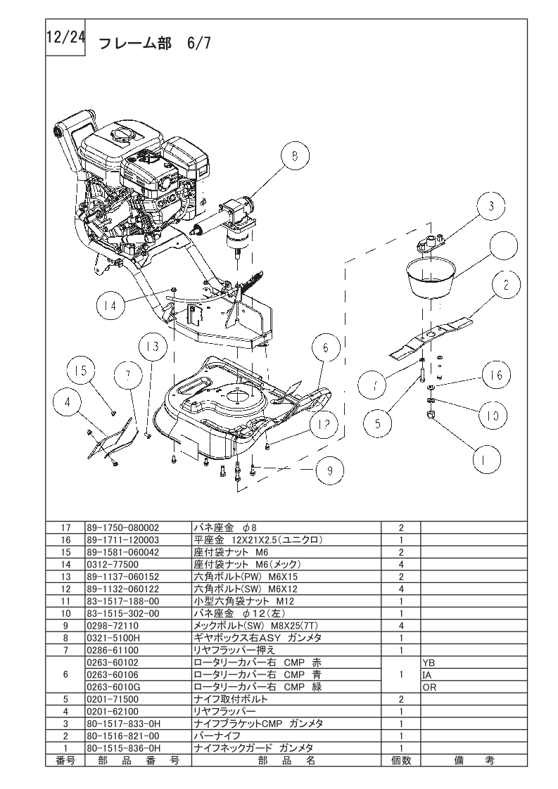
フレーム部 6/7
フレーム部 7/7
トルクリミッタ部 1/1
ミッション部 1/3
ミッション部 2/3
ミッション部 3/3
ギアボックス右 1/1
ロータリーカバー左 1/3
ロータリーカバー左 2/3
ロータリーカバー左 3/3
ジョイントカバー部
ギアボックス左 1/1
見積リストを見る
新規会員登録
お気に入り
ログイン
ホームに戻る
カテゴリ一覧
TOP
CANYCOM(筑水キャニコム)
MASAO(まさお)
OREC(オーレック)
ブルモアー(ハンマーナイフ)
ラビットモアー(乗用)
スパイダーモアー(斜面刈り)
スパイダーモアーRC(ラジコン)
ウイングモアー(あぜ2面刈り)
クワガタモアー(幹周刈り)
オートモアー(小型草刈機)
エースローター(小型管理機)
バーディ(小型管理機)