新規会員登録
お気に入り
ログイン
0
現在お見積リストに商品はございません。
草刈機専門店【モア】が運営する部品専門サイト
メーカ:CANYCOM(筑水キャニコム)
機 種:MASAO(まさお)
型 式:CMX2202YCV/YCS
ページ:-
メーカー選択に戻る
機種選択に戻る
型式選択に戻る
ページ選択に戻る
小さな部品も精細に表示するため、データ量が多くなっております。
画面の読み込みに時間を要する場合がありますが、あらかじめご了承ください。
×閉じる
パーツリスト【ページ選択】
本体 FIG1 エンジン
本体 FIG2 エンジンコントロール
本体 FIG3 電装
本体 FIG4 燃料タンク
本体 FIG5 フレーム
本体 FIG6 フロントカバー
本体 FIG7 リアカバー
本体 FIG8 バンパー
本体 FIG9 ミッション
本体 FIG10 フロントアクセル(AGタイヤ)
本体 FIG11 フロントアクセル(ターフタイヤ)
本体 FIG12 前輪(AGタイヤ)
本体 FIG13 前輪(ターフタイヤ)
本体 FIG14 後輪(AGタイヤ)
本体 FIG15 後輪(ターフタイヤ)
本体 FIG16 動力伝達(走行)
本体 FIG17 動力伝達(刈刃)
本体 FIG18 刈刃駆動
本体 FIG19 AWD駆動
本体 FIG20 ステアリング
本体 FIG21 ステアリングASSY
本体 FIG22 走行操作レバー
本体 FIG23 副変速レバー
本体 FIG24 ブレーキ
本体 FIG25 デフロック
本体 FIG26 AWD切替
本体 FIG27 シート
本体 FIG28 刈刃リンク
本体 FIG29 刈高レバー
本体 FIG30 刈刃カバー
本体 FIG31 刈刃
本体 FIG32 刈刃ブレーキ
ミッション FIG1 ケース
ミッション FIG2 第2軸
ミッション FIG3 第1軸
ミッション FIG4 アクスル
ミッション FIG5 デフ
ミッション FIG6 ブレーキ
ミッション FIG7 PTO
ミッション FIG8 シフター
ミッション FIG9 デフシフト
ミッション FIG10 刈刃軸
フロントデフ FIG1 ケース
フロントデフ FIG2 入力軸
フロントデフ FIG3 デフ
フロントデフ FIG4 ナックル
フロントデフ FIG5 ブレーキ
CHST 補修部品 FIG1 ~NO.3634
CHST 補修部品 FIG2 NO.3635~
カートを見る
新規会員登録
お気に入り
ログイン
ホームに戻る
カテゴリ一覧
TOP
CANYCOM(筑水キャニコム)
MASAO(まさお)
CLM1304
本体 FIG1 エンジン
本体 FIG2 電装
本体 FIG3 タンクベース & エンジンコントロール
本体 FIG4 フレーム
本体 FIG5 ミッション
本体 FIG6 リアタイヤ
本体 FIG7 前車軸
本体 FIG8 フロントタイヤ
本体 FIG9 動力伝達
本体 FIG10 ステアリング
本体 FIG11 副変速 & HST & ブレーキ
本体 FIG12 刈刃レバー
本体 FIG13 刈刃カバー
本体 FIG14 刈刃
ミッション FIG1 ケーシング
ミッション FIG2 入力&HST
ミッション FIG3 シャフトC
ミッション FIG4 デフ
ミッション FIG5 アクスル
ミッション FIG6 ブレーキ
CM1305
本体 FIG1 エンジン(クボタ)
本体 FIG2 エンジン(ミツビシ)
本体 FIG3 エンジンコントロール
本体 FIG4 エアクリーナ
本体 FIG5 電装(~NO.9080100)
本体 FIG6 電装(NO.9080101~)
本体 FIG7 ハーネス(NO.9080101~)
本体 FIG8 タンク
本体 FIG9 マフラー
本体 FIG10 カバー
本体 FIG11 ミッション
本体 FIG12 前車軸(~NO.9080100)
本体 FIG13 前車軸(NO.9080101~)
本体 FIG14 前輪
本体 FIG15 後輪
本体 FIG16 動力伝達
本体 FIG17 ステアリング
本体 FIG18 HSTレバー
本体 FIG19 副変速
本体 FIG20 ブレーキ
本体 FIG21 デフロック
本体 FIG22 シート
本体 FIG23 刈刃リンク
本体 FIG24 刈刃カバー
本体 FIG25 刈刃
本体 FIG26 刈刃ブレーキ
ミッション FIG1 ケーシング
ミッション FIG2 HST
ミッション FIG3 入力軸
ミッション FIG4 第2軸
ミッション FIG5 第3軸
ミッション FIG6 デフ
ミッション FIG7 アクスル
ミッション FIG8 シフター
ミッション FIG9 シフト
ミッション FIG10 ブレーキ
CM141
FIG1 エンジン(国内)
FIG2 エンジン(CE)
FIG3 エンジンコントロール
FIG4 電装(国内)
FIG5 電装(CE)
FIG6 カバー(国内)
FIG7 カバー(CE)
FIG8 ミッション
FIG9 前車軸
FIG10 前輪
FIG11 後輪
FIG12 動力伝達
FIG13 刈刃駆動
FIG14 ステアリング
FIG15 HSTレバー
FIG16 ブレーキ
FIG17 デフロックレバー(デフロック付き)
FIG18 シート
FIG19 刈刃リンク
FIG20 刈刃カバー
FIG21 刈刃
FIG22 刈刃ブレーキ
FIG23 ケーシング
FIG24 シャフト1
FIG25 シャフト2
FIG26 シャフト3
FIG27 デフ
FIG28 アクスル
CM142
FIG1 エンジン(国内)
FIG2 エンジン(CE)
FIG3 エンジンコントロール
FIG4 電装(国内)
FIG5 電装(CE)
FIG6 カバー(国内)
FIG7 カバー(CE)
FIG8 ミッション
FIG9 前車軸
FIG10 前輪タイヤ
FIG11 後輪タイヤ
FIG12 動力伝達
FIG13 刈刃駆動
FIG14 ステアリング
FIG15 HSTレバー
FIG16 ブレーキ
FIG17 デフロックレバー
FIG18 シート
FIG19 刈刃リンク
FIG20 刈刃カバー
FIG21 刈刃
FIG22 刈刃ブレーキ
FIG23 ケーシング
FIG24 シャフト1
FIG25 シャフト2
FIG26 シャフト3
FIG27 デフ
FIG28 アクスル
CM1401RC
本体 FIG1 エンジン(日本)
本体 FIG2 エンジンコントロール
本体 FIG3 電装(日本)
本体 FIG4 フレーム
本体 FIG5 カバー
本体 FIG6 リアカバー
本体 FIG7 バンパー
本体 FIG8 ミッション(チャージポンプ無し)
本体 FIG9 フロントアクスル
本体 FIG10 前輪(AG)
本体 FIG11 後輪(AG)
本体 FIG12 動力伝達(走行)
本体 FIG13 動力伝達(刈刃)
本体 FIG14 刈刃駆動
本体 FIG15 ステアリング
本体 FIG16 走行・操作レバー(左ブレーキ 左HSTレバー)
本体 FIG17 副変速レバー
本体 FIG18 ブレーキ(左)
本体 FIG19 デフロック
本体 FIG20 シート
本体 FIG21 刈刃リンク
本体 FIG22 刈高レバー(HST左操作)
本体 FIG23 刈刃カバー
本体 FIG24 刈刃
本体 FIG25 刈刃ブレーキ
ミッション FIG1 ケース
ミッション FIG2 第2軸
ミッション FIG3 第1軸
ミッション FIG4 アクスル
ミッション FIG5 デフ
ミッション FIG6 ブレーキ
ミッション FIG7 シフター
ミッション FIG8 デフシフト
ミッション FIG9 刈刃軸
CM1401HC
本体 FIG1 エンジン
本体 FIG2 エンジンコントロール
本体 FIG3 電装
本体 FIG4 フレーム
本体 FIG5 フロントカバー
本体 FIG6 リアカバー
本体 FIG7 バンパー
本体 FIG8 ミッション(~NO.1680289)
本体 FIG9 ミッション(NO.1682001~)
本体 FIG10 フロントアクセル
本体 FIG11 前輪
本体 FIG12 後輪
本体 FIG13 235A 動力伝達
本体 FIG14 240A 動力伝達
本体 FIG15 刈刃駆動
本体 FIG16 ステアリング
本体 FIG17 ステアリングASSY
本体 FIG18 走行操作レバー(~NO.1680289)
本体 FIG19 走行操作レバー(NO.1682001~)
本体 FIG20 副変速レバー
本体 FIG21 ブレーキ
本体 FIG22 デフロック
本体 FIG23 シート
本体 FIG24 刈刃リンク
本体 FIG25 刈高レバー
本体 FIG26 刈刃カバー
本体 FIG27 刈刃
本体 FIG28 刈刃ブレーキ
ミッション FIG1 ケース
ミッション FIG2 第2軸
ミッション FIG3 第1軸
ミッション FIG4 アクスル
ミッション FIG5 デフ
ミッション FIG6 ブレーキ
ミッション FIG7 PTO
ミッション FIG8 シフター
ミッション FIG9 デフシフト
ミッション FIG10 刈刃軸
CHST 補修部品 FIG1 ~NO.3634
CHST 補修部品 FIG2 NO.3635~
CM1502
本体 FIG1 エンジン(国内)
本体 FIG2 エンジン(輸出)
本体 FIG3 エンジンコントロール
本体 FIG4 電装(国内)
本体 FIG5 電装(輸出)
本体 FIG6 ハーネス(国内)
本体 FIG7 ハーネス(輸出)
本体 FIG8 タンク
本体 FIG9 マフラー
本体 FIG10 カバー(国内)
本体 FIG11 カバー(輸出)
本体 FIG12 ミッション(国内)
本体 FIG13 ミッション(輸出)
本体 FIG14 前車軸
本体 FIG15 前輪
本体 FIG16 後輪
本体 FIG17 動力伝達
本体 FIG18 ステアリング
本体 FIG19 HSTレバー
本体 FIG20 副変速
本体 FIG21 ブレーキ
本体 FIG22 デフロック
本体 FIG23 シート
本体 FIG24 刈刃リンク(国内)
本体 FIG25 刈刃リンク(輸出)
本体 FIG26 刈刃カバー(ゴムイタ)
本体 FIG27 刈刃カバー(チェーン)
本体 FIG28 刈刃
本体 FIG29 刈刃ブレーキ
本体 FIG30 アワーメーター
本体 FIG31 ツールボックス
ミッション HT051A FIG1 ケーシング
ミッション HT051A FIG2 HST
ミッション HT051A FIG3 入力軸
ミッション HT051A FIG4 第2軸
ミッション HT051A FIG5 第3軸
ミッション HT051A FIG6 デフ
ミッション HT051A FIG7 アクスル
ミッション HT051A FIG8 シフター
ミッション HT051A FIG9 シフト
ミッション HT051A FIG10 ブレーキ
ミッション HT051B FIG1 ケーシング
ミッション HT051B FIG2 HST
ミッション HT051B FIG3 入力軸
ミッション HT051B FIG4 第2軸
ミッション HT051B FIG5 第3軸
ミッション HT051B FIG6 デフ
ミッション HT051B FIG7 アクスル
ミッション HT051B FIG8 シフター
ミッション HT051B FIG9 シフト
ミッション HT051B FIG10 ブレーキ
CM1602
本体 FIG1 エンジン
本体 FIG2 エンジンコントロール
本体 FIG3 電装
本体 FIG4 タンク
本体 FIG5 フレーム&カバー
本体 FIG6 ミッション
本体 FIG7 前車軸
本体 FIG8 タイヤ
本体 FIG9 動力伝達
本体 FIG10 ステアリング
本体 FIG11 HSTレバー
本体 FIG12 副変速
本体 FIG13 ブレーキ
本体 FIG14 デフロック
本体 FIG15 シート
本体 FIG16 刈刃リンク
本体 FIG17 刈刃カバー
本体 FIG18 刈刃
本体 FIG19 刈刃ブレーキ
本体 FIG20 ターフタイヤ
ミッション FIG1 ケーシング
ミッション FIG2 入力&HST
ミッション FIG3 シャフトC
ミッション FIG4 デフ
ミッション FIG5 アクスル
ミッション FIG6 ブレーキ
CM1603
本体 FIG1 エンジン
本体 FIG2 エンジンコントロール
本体 FIG3 電装
本体 FIG4 タンク
本体 FIG5 マフラー
本体 FIG6 フレーム
本体 FIG7 カバー
本体 FIG8 ミッション
本体 FIG9 前車軸
本体 FIG10 前輪
本体 FIG11 後輪
本体 FIG12 動力伝達
本体 FIG13 ステアリング
本体 FIG14 HSTレバー
本体 FIG15 副変速
本体 FIG16 ブレーキ
本体 FIG17 デフロック
本体 FIG18 シート
本体 FIG19 刈刃リンク(国内)
本体 FIG20 刈刃リンク(AUSA)
本体 FIG21 刈刃カバー(ゴムイタ)
本体 FIG22 刈刃カバー(チェーン)
本体 FIG23 刈刃
本体 FIG24 刈刃ブレーキ
ミッション FIG1 ケーシング
ミッション FIG2 HST
ミッション FIG3 入力軸
ミッション FIG4 第2軸
ミッション FIG5 第3軸
ミッション FIG6 デフ
ミッション FIG7 アクスル
ミッション FIG8 シフター
ミッション FIG9 シフト
ミッション FIG10 ブレーキ
CM1801
本体 FIG1 エンジン(国内)
本体 FIG2 エンジン(輸出)
本体 FIG3 エンジンコントロール
本体 FIG4 電装(国内)
本体 FIG5 電装(輸出)
本体 FIG6 ハーネス(国内)
本体 FIG7 ハーネス(輸出)
本体 FIG8 タンク(国内)
本体 FIG9 タンク(輸出)
本体 FIG10 マフラー(~NO.9090560)
本体 FIG11 マフラー(NO.9090561~)
本体 FIG12 カバー(国内)
本体 FIG13 カバー(輸出)
本体 FIG14 ミッション(国内)
本体 FIG15 ミッション(輸出)
本体 FIG16 前車軸
本体 FIG17 前輪
本体 FIG18 後輪
本体 FIG19 動力伝達
本体 FIG20 ステアリング
本体 FIG21 HSTレバー
本体 FIG22 副変速
本体 FIG23 ブレーキ
本体 FIG24 デフロック
本体 FIG25 シート
本体 FIG26 刈刃リンク(国内)
本体 FIG27 刈刃リンク(輸出)
本体 FIG28 刈刃カバー(ゴムイタ)
本体 FIG29 刈刃カバー(チェーン)
本体 FIG30 刈刃
本体 FIG31 刈刃ブレーキ
本体 FIG32 アワーメーター
本体 FIG33 ツールボックス
本体 FIG34 ターフタイヤ
ミッション HT051A FIG1 ケーシング
ミッション HT051A FIG2 HST
ミッション HT051A FIG3 入力軸
ミッション HT051A FIG4 第2軸
ミッション HT051A FIG5 第3軸
ミッション HT051A FIG6 デフ
ミッション HT051A FIG7 アクスル
ミッション HT051A FIG8 シフター
ミッション HT051A FIG9 シフト
ミッション HT051A FIG10 ブレーキ
ミッション HT051B FIG1 ケーシング
ミッション HT051B FIG2 HST
ミッション HT051B FIG3 入力軸
ミッション HT051B FIG4 第2軸
ミッション HT051B FIG5 第3軸
ミッション HT051B FIG6 デフ
ミッション HT051B FIG7 アクスル
ミッション HT051B FIG8 シフター
ミッション HT051B FIG9 シフト
ミッション HT051B FIG10 ブレーキ
CM1802
本体 FIG1 エンジン
本体 FIG2 エンジンコントロール
本体 FIG3 電装
本体 FIG4 ハーネス
本体 FIG5 タンク
本体 FIG6 マフラー
本体 FIG7 カバー(チャージポンプ無)
本体 FIG8 カバー(チャージポンプ付)
本体 FIG9 ミッション(チャージポンプ無)
本体 FIG10 ミッション(チャージポンプ付)
本体 FIG11 前車軸
本体 FIG12 フロントタイヤ
本体 FIG13 リアタイヤ
本体 FIG14 動力伝達
本体 FIG15 ステアリング
本体 FIG16 HSTレバー
本体 FIG17 副変速
本体 FIG18 ブレーキ
本体 FIG19 デフロック
本体 FIG20 シート
本体 FIG21 刈刃リンク
本体 FIG22 刈刃カバー
本体 FIG23 刈刃
本体 FIG24 刈刃ブレーキ
本体 FIG25 バンパー
ミッション HI051A FIG1 ケーシング
ミッション HI051A FIG2 HST
ミッション HI051A FIG3 入力軸
ミッション HI051A FIG4 第2軸
ミッション HI051A FIG5 第3軸
ミッション HI051A FIG6 デフ
ミッション HI051A FIG7 アクスル
ミッション HI051A FIG8 シフター
ミッション HI051A FIG9 シフト
ミッション HI051A FIG10 ブレーキ
ミッション HI051B FIG1 ケーシング
ミッション HI051B FIG2 HST
ミッション HI051B FIG3 入力軸
ミッション HI051B FIG4 第2軸
ミッション HI051B FIG5 第3軸
ミッション HI051B FIG6 デフ
ミッション HI051B FIG7 アクスル
ミッション HI051B FIG8 シフター
ミッション HI051B FIG9 シフト
ミッション HI051B FIG10 ブレーキ
CM2101
本体 FIG1 エンジン(ブリグス)
本体 FIG2 エンジン(カワサキ)
本体 FIG3 エンジンコントロール(~NO.9170135)
本体 FIG4 エンジンコントロール(NO.9170136~)
本体 FIG5 電装(国内)(~NO.9170135)
本体 FIG6 電装(輸出)(~NO.9170135)
本体 FIG7 電装(国内)(NO.9170136~)
本体 FIG8 電装(輸出)(NO.9170136~)
本体 FIG9 燃料タンク(~NO.9170135)
本体 FIG10 燃料タンク(NO.9170136~)
本体 FIG11 マフラー(ブリグス)
本体 FIG12 マフラー(カワサキ)
本体 FIG13 フレーム
本体 FIG14 カバー 1 (~NO.9170135)
本体 FIG15 カバー 2 (~NO.9170135)
本体 FIG16 カバー 1 (NO.9170136~)
本体 FIG17 カバー 2 (NO.9170136~)
本体 FIG18 ミッション
本体 FIG19 HST配管(~NO.9170135)
本体 FIG20 HST配管(NO.9170136~)
本体 FIG21 デフ
本体 FIG22 前輪
本体 FIG23 Aタイプ後輪
本体 FIG24 Bタイプ後輪
本体 FIG25 動力伝達 1
本体 FIG26 動力伝達 2
本体 FIG27 動力伝達 3
本体 FIG28 刈刃駆動
本体 FIG29 ステアリング
本体 FIG30 ステアリングロッド
本体 FIG31 HSTペダル
本体 FIG32 HSTニュートラル
本体 FIG33 副変速
本体 FIG34 ブレーキ
本体 FIG35 デフロック
本体 FIG36 シート
本体 FIG37 シート(補用部品)
本体 FIG38 4駆切替
本体 FIG39 刈刃リンク 1(輸出)
本体 FIG40 刈刃リンク 2(輸出)
本体 FIG41 刈刃リンク 1(国内)
本体 FIG42 刈刃リンク 2(国内)
本体 FIG43 刈刃カバー(ゴムイタ)
本体 FIG44 刈刃カバー(チェーン)
本体 FIG45 刈刃
本体 FIG46 刈刃ブレーキ
本体 FIG47 シートベルト
本体 FIG48 ロールバーセット
フロントデフ FIG1
フロントデフ FIG2
フロントデフ FIG3
ミッション FIG1 ケース
ミッション FIG2 HST
ミッション FIG3 入力軸
ミッション FIG4 第2軸
ミッション FIG5 第3軸
ミッション FIG6 デフ
ミッション FIG7 Aタイプ アクスル
ミッション FIG8 Bタイプ アクスル
ミッション FIG9 シフター
ミッション FIG10 PTO
ミッション FIG11 シフト
CM2102
本体 FIG1 エンジン(カワサキ)
本体 FIG2 エンジンコントロール
本体 FIG3 電装
本体 FIG4 燃料タンク
本体 FIG5 マフラー
本体 FIG6 フレーム
本体 FIG7 カバー 1
本体 FIG8 カバー 2
本体 FIG9 ミッション
本体 FIG10 HST配管
本体 FIG11 デフ
本体 FIG12 前輪
本体 FIG13 Aタイプ 後輪
本体 FIG14 Bタイプ 後輪
本体 FIG15 動力伝達 1
本体 FIG16 動力伝達 2
本体 FIG17 動力伝達 3
本体 FIG18 刈刃駆動
本体 FIG19 ステアリング
本体 FIG20 ステアリングロッド
本体 FIG21 HSTペダル
本体 FIG22 HSTニュートラル
本体 FIG23 副変速
本体 FIG24 ブレーキ
本体 FIG25 シート
本体 FIG26 刈刃リンク 1
本体 FIG27 刈刃リンク 2
本体 FIG28 刈刃カバー
本体 FIG29 刈刃
本体 FIG30 刈刃ブレーキ
本体 FIG31 キャノピー
フロントデフ FIG1
フロントデフ FIG2
フロントデフ FIG3
ミッション FIG1 ケース
ミッション FIG2 HST
ミッション FIG3 入力軸
ミッション FIG4 第2軸
ミッション FIG5 第3軸
ミッション FIG6 デフ
ミッション FIG7 Aタイプ アクスル
ミッション FIG8 Bタイプ アクスル
ミッション FIG9 シフター
ミッション FIG10 PTO
ミッション FIG11 シフト
CM2103
本体 FIG1 エンジン
本体 FIG2 エンジンコントロール
本体 FIG3 電装(国内)
本体 FIG4 電装(CE)
本体 FIG5 燃料タンク
本体 FIG6 マフラー
本体 FIG7 フレーム(国内)
本体 FIG8 フレーム(CE)
本体 FIG9 カバー 1
本体 FIG10 カバー 2
本体 FIG11 ミッション
本体 FIG12 HSTタンク
本体 FIG13 フロントデフ
本体 FIG14 フロントタイヤ
本体 FIG15 リアタイヤ
本体 FIG16 動力伝達 1
本体 FIG17 動力伝達 2
本体 FIG18 動力伝達 3
本体 FIG19 刈刃駆動
本体 FIG20 ステアリング
本体 FIG21 ステアリングロッド
本体 FIG22 HSTペダル
本体 FIG23 HSTニュートラル
本体 FIG24 副変速
本体 FIG25 ブレーキ
本体 FIG26 デフロック
本体 FIG27 シート
本体 FIG28 刈刃リンク 1
本体 FIG29 刈刃リンク 2(国内)
本体 FIG30 刈刃リンク 2(CE)
本体 FIG31 刈刃カバー
本体 FIG32 刈刃
本体 FIG33 刈刃ブレーキ
フロントデフ HD021C FIG1
フロントデフ HD021C FIG2
フロントデフ HD021C FIG3
フロントデフ HD021B FIG1
フロントデフ HD021B FIG2
フロントデフ HD021B FIG3
ミッション FIG1 ケース
ミッション FIG2 HST
ミッション FIG3 入力軸
ミッション FIG4 第2軸
ミッション FIG5 第3軸
ミッション FIG6 デフ
ミッション FIG7 アクスル
ミッション FIG8 シフター
ミッション FIG9 PTO
ミッション FIG10 シフト
CM2104
本体 FIG1 エンジン
本体 FIG2 エンジンコントロール
本体 FIG3 電装
本体 FIG4 燃料タンク
本体 FIG5 マフラー
本体 FIG6 フレーム
本体 FIG7 カバー 1
本体 FIG8 カバー 2
本体 FIG9 ミッション
本体 FIG10 HSTタンク
本体 FIG11 デフ
本体 FIG12 フロントタイヤ
本体 FIG13 リアタイヤ
本体 FIG14 動力伝達 1
本体 FIG15 動力伝達 2
本体 FIG16 動力伝達 3
本体 FIG17 刈刃駆動
本体 FIG18 ステアリング
本体 FIG19 ステアリングロッド
本体 FIG20 HSTペダル
本体 FIG21 HSTニュートラル
本体 FIG22 副変速
本体 FIG23 ブレーキ
本体 FIG24 シート
本体 FIG25 刈刃リンク 1
本体 FIG26 刈刃リンク 2
本体 FIG27 刈刃カバー
本体 FIG28 刈刃
本体 FIG29 刈刃ブレーキ
本体 FIG30 キャノピー
フロントデフ HD021C FIG1
フロントデフ HD021C FIG2
フロントデフ HD021C FIG3
フロントデフ HD021B FIG1
フロントデフ HD021B FIG2
フロントデフ HD021B FIG3
ミッション FIG1 ケース
ミッション FIG2 HST
ミッション FIG3 入力軸
ミッション FIG4 第2軸
ミッション FIG5 第3軸
ミッション FIG6 デフ
ミッション FIG7 アクスル
ミッション FIG8 シフター
ミッション FIG9 PTO
ミッション FIG10 シフト
CM181
本体 FIG1 エンジン
本体 FIG2 エンジンコントロール
本体 FIG3 電装
本体 FIG4 ハーネス
本体 FIG5 タンク
本体 FIG6 マフラー
本体 FIG7 カバー
本体 FIG8 ミッション
本体 FIG9 前車軸
本体 FIG10 フロントタイヤ
本体 FIG11 リアタイヤ
本体 FIG12 動力伝達
本体 FIG13 ステアリング
本体 FIG14 HSTレバー
本体 FIG15 副変速
本体 FIG16 ブレーキ
本体 FIG17 デフロック
本体 FIG18 シート
本体 FIG19 刈刃リンク
本体 FIG20 刈刃カバー
本体 FIG21 刈刃
本体 FIG22 刈刃ブレーキ
本体 FIG23 シート(オプション)
本体 FIG24 アジャスタ
ミッション FIG1 ケーシング
ミッション FIG2 HST
ミッション FIG3 入力軸
ミッション FIG4 第2軸
ミッション FIG5 第3軸
ミッション FIG6 デフ
ミッション FIG7 アクスル
ミッション FIG8 シフター
ミッション FIG9 シフト
ミッション FIG10 ブレーキ
CM182
本体 FIG1 エンジン
本体 FIG2 エンジンコントロール
本体 FIG3 電装
本体 FIG4 ハーネス
本体 FIG5 タンク
本体 FIG6 マフラー
本体 FIG7 カバー
本体 FIG8 カバー(丸山 MGA182)
本体 FIG9 ミッション
本体 FIG10 前車軸
本体 FIG11 フロントタイヤ
本体 FIG12 リアタイヤ
本体 FIG13 動力伝達
本体 FIG14 ステアリング
本体 FIG15 HSTレバー
本体 FIG16 副変速
本体 FIG17 ブレーキ
本体 FIG18 デフロック
本体 FIG19 シート
本体 FIG20 刈刃リンク
本体 FIG21 刈刃カバー
本体 FIG22 刈刃
本体 FIG23 刈刃ブレーキ
本体 FIG24 前車軸(ターフタイヤ)
本体 FIG25 ターフタイヤ
本体 FIG26 アジャスタ
ミッション FIG1 ケーシング
ミッション FIG2 HST
ミッション FIG3 入力軸
ミッション FIG4 第2軸
ミッション FIG5 第3軸
ミッション FIG6 デフ
ミッション FIG7 アクスル
ミッション FIG8 シフター
ミッション FIG9 シフト
ミッション FIG10 ブレーキ
CM182K
本体 FIG1 エンジン
本体 FIG2 エンジンコントロール
本体 FIG3 電装
本体 FIG4 ハーネス
本体 FIG5 タンク
本体 FIG6 マフラー
本体 FIG7 バンパー
本体 FIG8 カバー
本体 FIG9 ミッション
本体 FIG10 前車軸
本体 FIG11 前輪
本体 FIG12 後輪
本体 FIG13 動力伝達
本体 FIG14 ステアリング
本体 FIG15 HSTレバー
本体 FIG16 副変速
本体 FIG17 ブレーキ
本体 FIG18 デフロック
本体 FIG19 シート
本体 FIG20 刈刃リンク
本体 FIG21 刈刃カバー
本体 FIG22 刈刃
本体 FIG23 刈刃ブレーキ
本体 FIG24 アジャスタ
ミッション FIG1 ケーシング
ミッション FIG2 HST
ミッション FIG3 入力軸
ミッション FIG4 第2軸
ミッション FIG5 第3軸
ミッション FIG6 デフ
ミッション FIG7 アクスル
ミッション FIG8 シフター
ミッション FIG9 シフト
ミッション FIG10 ブレーキ
CM184
本体 FIG1 エンジン(日本)
本体 FIG2 エンジン(CE)
本体 FIG3 エンジンコントロール
本体 FIG4 電装(日本)
本体 FIG5 電装(CE)
本体 FIG6 燃料タンク
本体 FIG7 フレーム
本体 FIG8 カバー
本体 FIG9 リアカバー
本体 FIG10 ミッション(日本)
本体 FIG11 ミッション(CE)
本体 FIG12 HSTタンク(CE)
本体 FIG13 フロントアクスル
本体 FIG14 前輪
本体 FIG15 後輪
本体 FIG16 動力伝達(走行)
本体 FIG17 動力伝達(刈刃)
本体 FIG18 刈刃駆動
本体 FIG19 ステアリング
本体 FIG20 走行操作レバー(日本) CM184RC
本体 FIG21 走行操作レバー(CE) CM184RCE
本体 FIG22 走行操作レバー(日本) CM184RC100
本体 FIG23 走行操作レバー(日本) CM184RC050/CM184RC060
本体 FIG24 走行操作レバー(日本) CM184RC150/CM184RC160
本体 FIG25 副変速レバー
本体 FIG26 ブレーキ(左)
本体 FIG27 ブレーキ(右)
本体 FIG28 デフロック
本体 FIG29 シート
本体 FIG30 刈刃リンク
本体 FIG31 刈高レバー(標準)
本体 FIG32 刈高レバー(HST右操作)
本体 FIG33 刈刃カバー
本体 FIG34 刈刃
本体 FIG35 刈刃ブレーキ
ミッション FIG1 ケース
ミッション FIG2 第2軸
ミッション FIG3 第1軸
ミッション FIG4 アクスル
ミッション FIG5 デフ
ミッション FIG6 ブレーキ
ミッション FIG7 シフター
ミッション FIG8 デフシフト
ミッション FIG9 刈刃軸
CM185
本体 FIG1 エンジン(日本)
本体 FIG2 エンジンコントロール
本体 FIG3 電装(日本)
本体 FIG4 電装(HST右操作 日本)
本体 FIG5 燃料タンク
本体 FIG6 フレーム
本体 FIG7 カバー
本体 FIG8 リアカバー
本体 FIG9 バンパー
本体 FIG10 ミッション
本体 FIG11 フロントアクスル(標準)
本体 FIG12 前輪(AG)
本体 FIG13 後輪(AG)
本体 FIG14 動力伝達(走行)
本体 FIG15 動力伝達(刈刃)
本体 FIG16 刈刃駆動
本体 FIG17 ステアリング
本体 FIG18 走行操作レバー(左ブレーキ 左HSTレバー)
本体 FIG19 走行操作レバー(左ブレーキ 右HSTレバー)
本体 FIG20 副変速レバー
本体 FIG21 ブレーキ(左足)
本体 FIG22 デフロック
本体 FIG23 シート
本体 FIG24 刈刃リンク
本体 FIG25 刈高レバー(HST左操作)
本体 FIG26 刈高レバー(HST右操作)
本体 FIG27 刈刃カバー(標準)
本体 FIG28 刈刃
本体 FIG29 刈刃ブレーキ
本体 FIG30 エンジン(CE)
本体 FIG31 電装(CE)
本体 FIG32 ミッション(チャージポンプ付)
本体 FIG33 HSTタンク(チャージポンプ付)
本体 FIG34 走行操作レバー(左ブレーキ 左HSTレバー CE)
本体 FIG35 刈刃カバー(CE)
ミッション FIG1 ケース
ミッション FIG2 第2軸
ミッション FIG3 第1軸
ミッション FIG4 アクスル
ミッション FIG5 デフ
ミッション FIG6 ブレーキ
ミッション FIG7 シフター
ミッション FIG8 デフシフト
ミッション FIG9 刈刃軸
CM210
本体 FIG1 エンジン
本体 FIG2 エンジンコントロール
本体 FIG3 電装
本体 FIG4 ハーネス
本体 FIG5 タンク
本体 FIG6 マフラー
本体 FIG7 カバー
本体 FIG8 ミッション
本体 FIG9 前車軸
本体 FIG10 前輪タイヤ
本体 FIG11 後輪タイヤ
本体 FIG12 動力伝達
本体 FIG13 ステアリング
本体 FIG14 HSTレバー
本体 FIG15 副変速
本体 FIG16 ブレーキ
本体 FIG17 デフロック
本体 FIG18 シート
本体 FIG19 刈刃リンク
本体 FIG20 刈刃カバー
本体 FIG21 刈刃
本体 FIG22 刈刃ブレーキ
本体 FIG23 オプション
本体 FIG24 カバー(丸山向)
ミッション FIG1 ケーシング
ミッション FIG2 HST
ミッション FIG3 入力軸
ミッション FIG4 第2軸
ミッション FIG5 第3軸
ミッション FIG6 デフ
ミッション FIG7 アクスル
ミッション FIG8 シフター
ミッション FIG9 シフト
ミッション FIG10 ブレーキ
CM211
本体 FIG1 エンジン
本体 FIG2 エンジンコントロール
本体 FIG3 電装
本体 FIG4 ハーネス
本体 FIG5 タンク
本体 FIG6 マフラー
本体 FIG7 カバー
本体 FIG8 ミッション
本体 FIG9 前車軸
本体 FIG10 前輪タイヤ
本体 FIG11 後輪タイヤ
本体 FIG12 動力伝達
本体 FIG13 ステアリング
本体 FIG14 HSTレバー
本体 FIG15 副変速
本体 FIG16 ブレーキ
本体 FIG17 デフロック
本体 FIG18 シート
本体 FIG19 刈刃リンク
本体 FIG20 刈刃カバー
本体 FIG21 刈刃
本体 FIG22 刈刃ブレーキ
ミッション FIG1 ケーシング
ミッション FIG2 HST
ミッション FIG3 入力軸
ミッション FIG4 第2軸
ミッション FIG5 第3軸
ミッション FIG6 デフ
ミッション FIG7 アクスル
ミッション FIG8 シフター
ミッション FIG9 シフト
ミッション FIG10 ブレーキ
CM220
FIG1 エンジン
FIG2 エンジンコントロール
FIG3 電装
FIG4 タンク(NO.9200001~NO.9200300)
FIG5 タンク(NO.9200301~NO.9200960)
FIG6 タンク(NO.9200961~)
FIG7 カバー(チクスイ・HSTレバー無)
FIG8 カバー(チクスイ・HSTレバー付)
FIG9 カバー(田中機械・HSTレバー付)
FIG10 カバー(丸山製作所・HSTレバー付)
FIG11 カバー(リア)
FIG12 ミッション
FIG13 ケーシング
FIG14 シャフト 1
FIG15 シャフト 2
FIG16 第3軸
FIG17 デフ
FIG18 アクスル
FIG19 前車軸(標準タイヤ)
FIG20 前車軸(ターフタイヤ)
FIG21 前輪(標準タイヤ)
FIG22 後輪(標準タイヤ)
FIG23 タイヤ(ターフタイヤ)
FIG24 動力伝達 1
FIG25 動力伝達 2
FIG26 プロペラシャフト
FIG27 刈刃駆動
FIG28 ステアリング
FIG29 HSTペダル(HSTレバー付)NO.9200835~
FIG30 HSTペダル(HSTレバー無)~NO.9200834
FIG31 副変速
FIG32 ブレーキ(HSTレバー無)
FIG33 ブレーキ(HSTレバー付)
FIG34 デフロック
FIG35 シート
FIG36 刈刃リンク
FIG37 刈刃カバー(NO.9200324~)
FIG38 刈刃カバー(~NO.9200323)
FIG39 刈刃
FIG40 ガード(オプション)
FIG41 リンク(0刈り用オプション)
CM221
FIG1 エンジン
FIG2 エンジンコントロール
FIG3 電装(輸出)
FIG4 電装(国内)
FIG5 タンク(~NO.9260140)
FIG6 タンク(NO.9260141~)
FIG7 カバー
FIG8 カバー(ベルインポート)
FIG9 カバー(国内)
FIG10 カバー(リア)
FIG11 ガード(輸出)
FIG12 バンパー(国内)
FIG13 ルーフ(国内)
FIG14 ミッション
FIG15 油圧
FIG16 ケーシング
FIG17 シャフト 1
FIG18 シャフト 2
FIG19 第3軸
FIG20 デフ
FIG21 アクスル
FIG22 前車軸
FIG23 前輪(輸出)
FIG24 前輪(国内)
FIG25 後輪
FIG26 動力伝達 1
FIG27 動力伝達 2
FIG28 プロペラシャフト
FIG29 刈刃駆動
FIG30 ステアリング(国内)
FIG31 ステアリング(輸出)
FIG32 HSTペダル
FIG33 副変速
FIG34 ブレーキ
FIG35 デフロック
FIG36 シート(輸出)
FIG37 シート(国内)
FIG38 刈刃リンク
FIG39 刈刃カバー
FIG40 刈刃
FIG41 0刈り用オプション
CM212
本体 FIG1 エンジン
本体 FIG2 エンジンコントロール
本体 FIG3 電装
本体 FIG4 ハーネス
本体 FIG5 タンク
本体 FIG6 マフラー
本体 FIG7 カバー
本体 FIG8 カバー(丸山 MGA212)
本体 FIG9 ミッション
本体 FIG10 前車軸
本体 FIG11 フロントタイヤ
本体 FIG12 リアタイヤ
本体 FIG13 動力伝達
本体 FIG14 ステアリング
本体 FIG15 HSTレバー
本体 FIG16 副変速
本体 FIG17 ブレーキ
本体 FIG18 デフロック
本体 FIG19 シート
本体 FIG20 刈刃リンク
本体 FIG21 刈刃カバー
本体 FIG22 刈刃
本体 FIG23 刈刃ブレーキ
本体 FIG24 前車軸(ターフタイヤ)
本体 FIG25 ターフタイヤ
本体 FIG26 アジャスタ(オプション)
ミッション FIG1 ケーシング
ミッション FIG2 HST
ミッション FIG3 入力軸
ミッション FIG4 第2軸
ミッション FIG5 第3軸
ミッション FIG6 デフ
ミッション FIG7 アクスル
ミッション FIG8 シフター
ミッション FIG9 シフト
ミッション FIG10 ブレーキ
CM212K
本体 FIG1 エンジン
本体 FIG2 エンジンコントロール
本体 FIG3 電装
本体 FIG4 ハーネス
本体 FIG5 タンク
本体 FIG6 マフラー
本体 FIG7 バンパー
本体 FIG8 カバー
本体 FIG9 ミッション
本体 FIG10 前車軸
本体 FIG11 前輪
本体 FIG12 後輪
本体 FIG13 動力伝達
本体 FIG14 ステアリング
本体 FIG15 HSTレバー
本体 FIG16 副変速
本体 FIG17 ブレーキ
本体 FIG18 デフロック
本体 FIG19 シート
本体 FIG20 刈刃リンク
本体 FIG21 刈刃カバー
本体 FIG22 刈刃
本体 FIG23 刈刃ブレーキ
本体 FIG24 アジャスタ(オプション)
ミッション FIG1 ケーシング
ミッション FIG2 HST
ミッション FIG3 入力軸
ミッション FIG4 第2軸
ミッション FIG5 第3軸
ミッション FIG6 デフ
ミッション FIG7 アクスル
ミッション FIG8 シフター
ミッション FIG9 シフト
ミッション FIG10 ブレーキ
CM223
本体 FIG1 エンジン(国内)
本体 FIG2 エンジン(CE)
本体 FIG3 エンジンコントロール
本体 FIG4 電装(国内)
本体 FIG5 電装(CE)
本体 FIG6 燃料タンク
本体 FIG7 フレーム
本体 FIG8 カバー
本体 FIG9 リアカバー
本体 FIG10 バンパー
本体 FIG11 ミッション
本体 FIG12 HSTタンク
本体 FIG13 フロントアクスル(AG)
本体 FIG14 フロントアクスル(ターフ)
本体 FIG15 前輪(AG)
本体 FIG16 後輪(AG)
本体 FIG17 前輪(ターフ)
本体 FIG18 後輪(ターフ)
本体 FIG19 動力伝達(走行)
本体 FIG20 動力伝達(刈刃)
本体 FIG21 刈刃ブレーキ
本体 FIG22 刈刃駆動
本体 FIG23 ステアリング
本体 FIG24 走行操作レバー(国内)
本体 FIG25 走行操作レバー(CE)
本体 FIG26 副変速レバー
本体 FIG27 ブレーキ
本体 FIG28 デフロック
本体 FIG29 シート
本体 FIG30 刈刃リンク
本体 FIG31 刈刃カバー
本体 FIG32 刈刃
本体 FIG33 ガードセット(オプション)
本体 FIG34 ロプス
本体 FIG35 アジャスタ(オプション)
ミッション FIG1 ケース
ミッション FIG2 第1軸
ミッション FIG3 第2軸
ミッション FIG4 第3軸
ミッション FIG5 デフ
ミッション FIG6 アクスル
ミッション FIG7 ブレーキ
ミッション FIG8 シフター
CM225
本体 FIG1 エンジン(日本)
本体 FIG2 エンジン(CE)
本体 FIG3 エンジンコントロール
本体 FIG4 電装(日本)
本体 FIG5 電装(CE)
本体 FIG6 電装(HST右操作)
本体 FIG7 燃料タンク
本体 FIG8 フレーム
本体 FIG9 カバー
本体 FIG10 リアカバー
本体 FIG11 ミッション(日本)
本体 FIG12 ミッション(CE)
本体 FIG13 HSTタンク(CE)
本体 FIG14 フロントアクスル(日本)
本体 FIG15 フロントアクスル(CE)
本体 FIG16 フロントアクスル(ターフ)
本体 FIG17 前輪(日本)
本体 FIG18 前輪(CE)
本体 FIG19 後輪
本体 FIG20 前輪(ターフ)
本体 FIG21 後輪(ターフ)
本体 FIG22 動力伝達(走行)
本体 FIG23 動力伝達(刈刃)
本体 FIG24 刈刃駆動
本体 FIG25 ステアリング
本体 FIG26 走行操作レバー(日本) CM225RC
本体 FIG27 走行操作レバー(CE) CM225RCE
本体 FIG28 走行操作レバー(日本) CM225RC100
本体 FIG29 走行操作レバー(日本) CM225RC050/CM225RC060
本体 FIG30 走行操作レバー(日本) CM225RC150/CM225RC160
本体 FIG31 副変速レバー
本体 FIG32 ブレーキ(左)
本体 FIG33 ブレーキ(CE)
本体 FIG34 ブレーキ(右)
本体 FIG35 デフロック
本体 FIG36 シート
本体 FIG37 刈刃リンク
本体 FIG38 刈高レバー(標準)
本体 FIG39 刈高レバー(右操作)
本体 FIG40 刈刃カバー
本体 FIG41 刈刃
本体 FIG42 刈刃ブレーキ
ミッション FIG1 ケース
ミッション FIG2 第2軸
ミッション FIG3 第1軸
ミッション FIG4 アクスル
ミッション FIG5 デフ
ミッション FIG6 ブレーキ
ミッション FIG7 シフター
ミッション FIG8 デフシフト
ミッション FIG9 刈刃軸
CM226
本体 FIG1 エンジン(日本)
本体 FIG2 エンジン(CE)
本体 FIG3 エンジンコントロール
本体 FIG4 電装(日本)
本体 FIG5 電装(CE)
本体 FIG6 電装(HST右操作 日本)
本体 FIG7 燃料タンク
本体 FIG8 フレーム
本体 FIG9 カバー
本体 FIG10 リアカバー
本体 FIG11 バンパー
本体 FIG12 ミッション(チャージポンプ無)
本体 FIG13 ミッション(チャージポンプ付)
本体 FIG14 HSTタンク(チャージポンプ付)
本体 FIG15 フロントアクスル(標準)
本体 FIG16 フロントアクスル(前ブレーキ)
本体 FIG17 前輪(標準)
本体 FIG18 前輪(前ブレーキ)
本体 FIG19 後輪(AG)
本体 FIG20 動力伝達(走行)
本体 FIG21 動力伝達(刈刃)
本体 FIG22 刈刃駆動
本体 FIG23 ステアリング
本体 FIG24 走行操作レバー(左ブレーキ 左HSTレバー)
本体 FIG25 走行操作レバー(左ブレーキ 左HSTレバー CE)
本体 FIG26 走行操作レバー(左ブレーキ 右HSTレバー)
本体 FIG27 走行操作レバー(右ブレーキ 左HSTレバー)
本体 FIG28 副変速レバー
本体 FIG29 ブレーキ(左足)
本体 FIG30 ブレーキ(左足 前ブレーキ)
本体 FIG31 ブレーキ(右足)
本体 FIG32 デフロック
本体 FIG33 シート
本体 FIG34 クイックターン
本体 FIG35 刈刃リンク
本体 FIG36 刈高レバー(HST左操作)
本体 FIG37 刈高レバー(HST右操作)
本体 FIG38 刈刃カバー(標準)
本体 FIG39 刈刃カバー(クイックターン)
本体 FIG40 刈刃
本体 FIG41 刈刃ブレーキ
本体 FIG42 ステップバンパー
本体 FIG43 ブレーキ(左 ロング)
本体 FIG44 シート(High)
本体 FIG45 フロントアクスル(ターフ)
本体 FIG46 前輪(ターフ)
本体 FIG47 後輪(ターフ)
本体 FIG48 走行操作レバー(右ブレーキ 右HSTレバー)
本体 FIG49 刈刃カバー(CE)
ミッション FIG1 ケース
ミッション FIG2 第2軸
ミッション FIG3 第1軸
ミッション FIG4 アクスル
ミッション FIG5 デフ
ミッション FIG6 ブレーキ
ミッション FIG7 シフター
ミッション FIG8 デフシフト
ミッション FIG9 刈刃軸
CM250
本体 FIG1 エンジン(国内)
本体 FIG2 エンジンコントロール
本体 FIG3 電装(国内)
本体 FIG4 燃料タンク
本体 FIG5 フレーム
本体 FIG6 フロントカバー
本体 FIG7 リアカバー
本体 FIG8 バンパー
本体 FIG9 ミッション
本体 FIG10 HSTタンク
本体 FIG11 フロントアクスル
本体 FIG12 前輪タイヤ
本体 FIG13 後輪タイヤ
本体 FIG14 動力伝達(走行)
本体 FIG15 動力伝達(刈刃)
本体 FIG16 刈刃駆動
本体 FIG17 ステアリング
本体 FIG18 走行操作レバー(左ブレーキ 左HSTレバー)
本体 FIG19 副変速レバー
本体 FIG20 ブレーキ(左)
本体 FIG21 デフロックレバー
本体 FIG22 シート
本体 FIG23 刈刃リンク
本体 FIG24 刈高レバー(HST左操作)
本体 FIG25 刈刃カバー
本体 FIG26 刈刃
本体 FIG27 刈刃ブレーキ
ミッション FIG1 ケース
ミッション FIG2 第2軸
ミッション FIG3 第1軸
ミッション FIG4 アクスル
ミッション FIG5 デフ
ミッション FIG6 ブレーキ
ミッション FIG7 シフター
ミッション FIG8 デフシフト
ミッション FIG9 刈刃軸
CM252
本体 FIG1 エンジン(国内)
本体 FIG2 エンジンコントロール
本体 FIG3 電装(国内)
本体 FIG4 燃料タンク
本体 FIG5 フレーム
本体 FIG6 フロントカバー
本体 FIG7 リアカバー
本体 FIG8 バンパー
本体 FIG9 ミッション
本体 FIG10 HSTタンク
本体 FIG11 フロントアクスル
本体 FIG12 前輪タイヤ
本体 FIG13 後輪タイヤ
本体 FIG14 動力伝達(走行)
本体 FIG15 動力伝達(刈刃)
本体 FIG16 刈刃駆動
本体 FIG17 刈刃ケースAssy(Center)
本体 FIG18 刈刃ケースAssy(Right)
本体 FIG19 ステアリング
本体 FIG20 走行操作レバー(左ブレーキ 左HSTレバー)
本体 FIG21 副変速レバー
本体 FIG22 ブレーキ(左)
本体 FIG23 デフロックレバー
本体 FIG24 シート
本体 FIG25 刈刃リンク
本体 FIG26 電動昇降
本体 FIG27 刈刃カバー
本体 FIG28 刈刃
本体 FIG29 刈刃ブレーキ
ミッション FIG1 ケース
ミッション FIG2 第2軸
ミッション FIG3 第1軸
ミッション FIG4 アクスル
ミッション FIG5 デフ
ミッション FIG6 ブレーキ
ミッション FIG7 シフター
ミッション FIG8 デフシフト
ミッション FIG9 刈刃軸
CM1803
本体 FIG1 エンジン(日本)
本体 FIG2 エンジン(CE)
本体 FIG3 エンジンコントロール
本体 FIG4 電装(日本)
本体 FIG5 電装(CE)
本体 FIG6 電装(HST右操作 日本)
本体 FIG7 燃料タンク
本体 FIG8 フレーム
本体 FIG9 カバー
本体 FIG10 リアカバー
本体 FIG11 バンパー
本体 FIG12 ステップバンパー(CE)
本体 FIG13 ミッション(日本 チャージポンプ無)
本体 FIG14 ミッション(CE チャージポンプ付)
本体 FIG15 HSTタンク(チャージポンプ付)
本体 FIG16 フロントアクスル
本体 FIG17 フロントアクスル(CE)
本体 FIG18 前輪(AG)
本体 FIG19 前輪(AG) CE
本体 FIG20 後輪(AG)
本体 FIG21 動力伝達(走行)
本体 FIG22 動力伝達(刈刃)
本体 FIG23 刈刃駆動
本体 FIG24 ステアリング
本体 FIG25 走行操作レバー(左ブレーキ 左HSTレバー)
本体 FIG26 走行操作レバー(左ブレーキ 左HSTレバー CE)
本体 FIG27 走行操作レバー(左ブレーキ 右HSTレバー)
本体 FIG28 副変速レバー
本体 FIG29 ブレーキ(左)
本体 FIG30 ブレーキ(左 ロング CE)
本体 FIG31 デフロック
本体 FIG32 シート
本体 FIG33 シート(High CE)
本体 FIG34 刈刃リンク
本体 FIG35 刈高レバー(HST左操作)
本体 FIG36 刈高レバー(HST右操作)
本体 FIG37 刈刃カバー
本体 FIG38 刈刃カバー(CE)
本体 FIG39 刈刃
本体 FIG40 刈刃ブレーキ
本体 FIG41 ステアリングAssy(~NO.1570227)
本体 FIG42 ステアリングAssy(NO.1570228~)
ミッション FIG1 ケース
ミッション FIG2 第2軸
ミッション FIG3 第1軸
ミッション FIG4 アクスル
ミッション FIG5 デフ
ミッション FIG6 ブレーキ
ミッション FIG7 シフター
ミッション FIG8 デフシフト
ミッション FIG9 刈刃軸
CM2201RC
本体 FIG1 エンジン(日本 韓国)
本体 FIG2 エンジン(CE Asia USA)
本体 FIG3 エンジンコントロール
本体 FIG4 電装(日本 韓国)
本体 FIG5 電装(CE Asia USA)
本体 FIG6 電装(HST右操作 日本)
本体 FIG7 燃料タンク
本体 FIG8 フレーム
本体 FIG9 カバー
本体 FIG10 リアカバー
本体 FIG11 バンパー
本体 FIG12 ステップバンパー(CE Asia USA)
本体 FIG13 ミッション JP KR Asia(チャージポンプ無)
本体 FIG14 ミッション CE USA(チャージポンプ付)
本体 FIG15 ミッション HSTタンク(チャージポンプ付)
本体 FIG16 フロントアクスル(標準)
本体 FIG17 フロントアクスル(CE Asia 前ブレーキ)
本体 FIG18 前輪(AG 標準)
本体 FIG19 前輪(AG CE Asia 前ブレーキ)
本体 FIG20 後輪(AG)
本体 FIG21 動力伝達(走行)
本体 FIG22 動力伝達(刈刃)
本体 FIG23 刈刃駆動
本体 FIG24 ステアリング
本体 FIG25 走行操作レバー(左ブレーキ 左HSTレバー)
本体 FIG26 走行操作レバー(左ブレーキ 左HSTレバー CE USA)
本体 FIG27 走行操作レバー(左ブレーキ 右HSTレバー)
本体 FIG28 副変速レバー
本体 FIG29 ブレーキ(左)
本体 FIG30 ブレーキ(左 前ブレーキ) Asia
本体 FIG31 ブレーキ(左 前ブレーキ ロング) CE USA
本体 FIG32 デフロック
本体 FIG33 シート
本体 FIG34 シート(High) CE USA
本体 FIG35 刈刃リンク
本体 FIG36 刈高レバー(HST左操作)
本体 FIG37 刈高レバー(HST右操作)
本体 FIG38 刈刃カバー
本体 FIG39 刈刃カバー(CE USA)
本体 FIG40 刈刃
本体 FIG41 刈刃ブレーキ
本体 FIG42 フロントアクスル(ターフ)
本体 FIG43 前輪(ターフ)
本体 FIG44 後輪(ターフ)
本体 FIG45 ステアリングAssy(~NO.1550735)
本体 FIG46 ステアリングAssy(NO.1550736~)
ミッション FIG1 ケース
ミッション FIG2 第2軸
ミッション FIG3 第1軸
ミッション FIG4 アクスル
ミッション FIG5 デフ
ミッション FIG6 ブレーキ
ミッション FIG7 シフター
ミッション FIG8 デフシフト
ミッション FIG9 刈刃軸
CM2201YC
本体 FIG1 エンジン
本体 FIG2 エンジンコントロール
本体 FIG3 電装
本体 FIG4 燃料タンク
本体 FIG5 フレーム
本体 FIG6 フロントカバー
本体 FIG7 リアカバー
本体 FIG8 バンパー
本体 FIG9 ミッション(BDR)
本体 FIG10 ミッション(CHST)
本体 FIG11 フロントアクスル(標準)
本体 FIG12 前輪(AG 標準)
本体 FIG13 後輪(AG)
本体 FIG14 動力伝達(走行)
本体 FIG15 動力伝達(刈刃)
本体 FIG16 刈刃駆動
本体 FIG17 ステアリング
本体 FIG18 ステアリングAssy
本体 FIG19 走行操作レバー(BDR)
本体 FIG20 走行操作レバー(CHST)
本体 FIG21 副変速レバー
本体 FIG22 ブレーキ(左)
本体 FIG23 デフロック
本体 FIG24 シート
本体 FIG25 刈刃リンク
本体 FIG26 刈高レバー(HST左操作)
本体 FIG27 刈刃カバー
本体 FIG28 刈刃
本体 FIG29 刈刃ブレーキ
ミッション FIG1 ケース
ミッション FIG2 第2軸
ミッション FIG3 第1軸
ミッション FIG4 アクスル
ミッション FIG5 デフ
ミッション FIG6 ブレーキ
ミッション FIG7 シフター
ミッション FIG8 デフシフト
ミッション FIG9 刈刃軸
CM2201YCV/YCS
本体 FIG1 エンジン
本体 FIG2 エンジンコントロール
本体 FIG3 電装
本体 FIG4 燃料タンク
本体 FIG5 フレーム
本体 FIG6 フロントカバー
本体 FIG7 リアカバー
本体 FIG8 バンパー
本体 FIG9 ミッション
本体 FIG10 フロントアクセル(AG タイヤ)
本体 FIG11 フロントアクセル(ターフタイヤ)
本体 FIG12 前輪(AG タイヤ)
本体 FIG13 前輪(ターフタイヤ)
本体 FIG14 後輪(AG タイヤ)
本体 FIG15 後輪(ターフタイヤ)
本体 FIG16 動力伝達(走行)
本体 FIG17 動力伝達(刈刃)
本体 FIG18 刈刃駆動
本体 FIG19 ステアリング
本体 FIG20 ステアリングAssy
本体 FIG21 走行操作レバー
本体 FIG22 副変速レバー
本体 FIG23 ブレーキ
本体 FIG24 デフロック
本体 FIG25 シート
本体 FIG26 刈刃リンク
本体 FIG27 刈高レバー
本体 FIG28 刈刃カバー
本体 FIG29 刈刃
本体 FIG30 刈刃ブレーキ
ミッション FIG1 ケース
ミッション FIG2 第2軸
ミッション FIG3 第1軸
ミッション FIG4 アクスル
ミッション FIG5 デフ
ミッション FIG6 ブレーキ
ミッション FIG7 PTO
ミッション FIG8 シフター
ミッション FIG9 デフシフト
ミッション FIG10 刈刃軸
CHST 補修部品 FIG1 ~NO.03634
CHST 補修部品 FIG2 NO.03635~
CM2203RC
本体 FIG1 エンジン(日本 韓国)
本体 FIG2 エンジンコントロール
本体 FIG3 電装(日本 韓国)
本体 FIG4 燃料タンク
本体 FIG5 フロントカバー
本体 FIG6 リアカバー
本体 FIG7 バンパー(日本 韓国)
本体 FIG8 ミッション(チャージポンプ無)
本体 FIG9 フロントアクスル
本体 FIG10 前輪(AG)
本体 FIG11 後輪(AG)
本体 FIG12 動力伝達(走行)
本体 FIG13 動力伝達(刈刃)
本体 FIG14 刈刃駆動
本体 FIG15 ステアリング
本体 FIG16 走行操作レバー(左ブレーキ 左HSTレバー)
本体 FIG17 副変速レバー
本体 FIG18 ブレーキ(左)
本体 FIG19 デフロック
本体 FIG20 シート(標準)
本体 FIG21 刈刃リンク
本体 FIG22 刈高レバー
本体 FIG23 刈刃カバー(標準)
本体 FIG24 刈刃
本体 FIG25 刈刃ブレーキ
ミッション FIG1 ケース
ミッション FIG2 第2軸
ミッション FIG3 第1軸
ミッション FIG4 アクスル
ミッション FIG5 デフ
ミッション FIG6 ブレーキ
ミッション FIG7 シフター
ミッション FIG8 デフシフト
ミッション FIG9 刈刃軸
CM2203YC/YCV/YCV1
本体 FIG1 エンジン(日本 韓国)
本体 FIG2 エンジンコントロール
本体 FIG3 電装(日本 韓国)
本体 FIG4 燃料タンク
本体 FIG5 フロントカバー
本体 FIG6 リアカバー
本体 FIG7 バンパー(日本 韓国)
本体 FIG8 ミッション(チャージポンプ無)
本体 FIG9 フロントアクスル
本体 FIG10 前輪(AG) ~NO.1732029
本体 FIG11 後輪(AG) ~NO.1732029
本体 FIG12 前輪(AG) NO.1732030~
本体 FIG13 後輪(AG) NO.1732030~
本体 FIG14 動力伝達(走行)
本体 FIG15 動力伝達(刈刃)
本体 FIG16 刈刃駆動
本体 FIG17 ステアリング
本体 FIG18 走行操作レバー(左ブレーキ 左HSTレバー)
本体 FIG19 副変速レバー
本体 FIG20 ブレーキ(左)
本体 FIG21 デフロック
本体 FIG22 シート(標準)
本体 FIG23 刈刃リンク
本体 FIG24 刈高レバー
本体 FIG25 刈刃カバー(標準) ~NO.1732029
本体 FIG26 刈刃カバー(標準) NO.1732030~
本体 FIG27 刈刃
本体 FIG28 刈刃ブレーキ
ミッション FIG1 ケース
ミッション FIG2 第2軸
ミッション FIG3 第1軸
ミッション FIG4 アクスル
ミッション FIG5 デフ
ミッション FIG6 ブレーキ
ミッション FIG7 シフター
ミッション FIG8 デフシフト
ミッション FIG9 刈刃軸
C-HST 8001 D000 補修部品
CM2205HC/HCS
本体 FIG1 エンジン
本体 FIG2 エンジンコントロール
本体 FIG3 電装
本体 FIG4 燃料タンク
本体 FIG5 フレーム
本体 FIG6 カバー
本体 FIG7 ミッション
本体 FIG8 フロントアクセル
本体 FIG9 前輪
本体 FIG10 後輪
本体 FIG11 動力伝達(刈刃)
本体 FIG12 ステアリング
本体 FIG13 ステアリングASSY
本体 FIG14 走行操作レバー
本体 FIG15 副変速レバー
本体 FIG16 ブレーキ
本体 FIG17 デフロック
本体 FIG18 シート
本体 FIG19 刈刃リンク
本体 FIG20 刈刃カバー
本体 FIG21 刈刃
本体 FIG22 刈刃ブレーキ
ミッション FIG1 デフ
ミッション FIG2 デフシフト
ミッション FIG3 ケース
ミッション FIG4 第2軸
ミッション FIG5 第1軸
ミッション FIG6 ブレーキ
ミッション FIG7 シフター
ミッション FIG8 アクスル
CM2403HC/HCS
本体 FIG1 エンジン
本体 FIG2 エンジンコントロール
本体 FIG3 電装
本体 FIG4 燃料タンク
本体 FIG5 フレーム
本体 FIG6 カバー
本体 FIG7 リアカバー
本体 FIG8 バンパー
本体 FIG9 ミッション(チャージポンプ無)
本体 FIG10 フロントアクスル
本体 FIG11 前輪(AG)
本体 FIG12 後輪(AG)
本体 FIG13 動力伝達(走行)
本体 FIG14 動力伝達(刈刃)
本体 FIG15 刈刃駆動
本体 FIG16 ステアリング
本体 FIG17 ステアリングAssy
本体 FIG18 走行操作レバー
本体 FIG19 副変速レバー
本体 FIG20 ブレーキ(左)
本体 FIG21 デフロック
本体 FIG22 シート
本体 FIG23 刈刃リンク
本体 FIG24 刈高レバー(HST左操作)
本体 FIG25 刈刃カバー
本体 FIG26 刈刃
本体 FIG27 刈刃ブレーキ
ミッション FIG1 ケース
ミッション FIG2 第2軸
ミッション FIG3 第1軸
ミッション FIG4 アクスル
ミッション FIG5 デフ
ミッション FIG6 ブレーキ
ミッション FIG7 PTO
ミッション FIG8 シフター
ミッション FIG9 デフシフト
ミッション FIG10 刈刃軸
CHST 補修部品 FIG1 ~NO.03634
CHST 補修部品 FIG2 NO.03635~
CM2501
本体 FIG1 エンジン(日本 韓国)
本体 FIG2 エンジンコントロール
本体 FIG3 電装(日本 韓国)
本体 FIG4 燃料タンク
本体 FIG5 フレーム
本体 FIG6 カバー
本体 FIG7 リアカバー
本体 FIG8 バンパー
本体 FIG9 ミッション(チャージポンプ付)
本体 FIG10 HSTタンク(チャージポンプ付)
本体 FIG11 フロントアクスル
本体 FIG12 前輪(AG)
本体 FIG13 後輪(AG)
本体 FIG14 動力伝達(走行)
本体 FIG15 動力伝達(刈刃)
本体 FIG16 刈刃駆動
本体 FIG17 ステアリング
本体 FIG18 走行操作レバー(左ブレーキ 左HSTレバー)
本体 FIG19 副変速レバー
本体 FIG20 ブレーキ(左)
本体 FIG21 デフロック
本体 FIG22 シート
本体 FIG23 刈刃リンク
本体 FIG24 刈高レバー(HST左操作)
本体 FIG25 刈刃カバー
本体 FIG26 刈刃
本体 FIG27 刈刃ブレーキ
ミッション FIG1 ケース
ミッション FIG2 第2軸
ミッション FIG3 第1軸
ミッション FIG4 アクスル
ミッション FIG5 デフ
ミッション FIG6 ブレーキ
ミッション FIG7 シフター
ミッション FIG8 デフシフト
ミッション FIG9 刈刃軸
CM2503
本体 FIG1 エンジン(日本 韓国)
本体 FIG2 エンジンコントロール
本体 FIG3 電装(国内)
本体 FIG4 燃料タンク
本体 FIG5 フレーム
本体 FIG6 フロントカバー
本体 FIG7 リアカバー
本体 FIG8 バンパー
本体 FIG9 ミッション
本体 FIG10 HSTタンク
本体 FIG11 フロントアクスル
本体 FIG12 前輪タイヤ
本体 FIG13 後輪タイヤ
本体 FIG14 動力伝達(走行)
本体 FIG15 動力伝達(刈刃)
本体 FIG16 刈刃駆動
本体 FIG17 刈刃ケースAssy(Center)
本体 FIG18 刈刃ケースAssy(Right)
本体 FIG19 ステアリング
本体 FIG20 走行操作レバー(左ブレーキ 左HSTレバー)
本体 FIG21 副変速レバー
本体 FIG22 ブレーキ(左)
本体 FIG23 デフロックレバー
本体 FIG24 シート
本体 FIG25 刈刃リンク
本体 FIG26 電動昇降
本体 FIG27 刈刃カバー
本体 FIG28 刈刃
本体 FIG29 刈刃ブレーキ
ミッション FIG1 ケース
ミッション FIG2 第2軸
ミッション FIG3 第1軸
ミッション FIG4 アクスル
ミッション FIG5 デフ
ミッション FIG6 ブレーキ
ミッション FIG7 シフター
ミッション FIG8 デフシフト
ミッション FIG9 刈刃軸
CMX1402RC
本体 FIG1 エンジン(日本)
本体 FIG2 エンジンコントロール
本体 FIG3 電装(日本)
本体 FIG4 フレーム
本体 FIG5 カバー
本体 FIG6 リアカバー
本体 FIG7 バンパー
本体 FIG8 ミッション(チャージポンプ無)
本体 FIG9 フロントアクスル
本体 FIG10 前輪(AG)
本体 FIG11 後輪(AG)
本体 FIG12 動力伝達(走行)
本体 FIG13 動力伝達(刈刃)
本体 FIG14 刈刃駆動
本体 FIG15 AWD駆動
本体 FIG16 ステアリング
本体 FIG17 走行操作レバー(左ブレーキ 左HSTレバー)
本体 FIG18 副変速レバー
本体 FIG19 ブレーキ(左)
本体 FIG20 デフロック
本体 FIG21 4WD切替
本体 FIG22 シート
本体 FIG23 刈刃リンク
本体 FIG24 刈高レバー(HST左操作)
本体 FIG25 刈刃カバー
本体 FIG26 刈刃
本体 FIG27 刈刃ブレーキ
ミッション FIG1 ケース
ミッション FIG2 第2軸
ミッション FIG3 第1軸
ミッション FIG4 アクスル
ミッション FIG5 デフ
ミッション FIG6 ブレーキ
ミッション FIG7 PTO
ミッション FIG8 シフター
ミッション FIG9 デフシフト
ミッション FIG10 刈刃軸
フロントデフ FIG1 ケース
フロントデフ FIG2 入力軸
フロントデフ FIG3 デフ
フロントデフ FIG4 ナックル
フロントデフ FIG5 ブレーキ
CMX1402HC
本体 FIG1 エンジン
本体 FIG2 エンジンコントロール
本体 FIG3 電装
本体 FIG4 フレーム
本体 FIG5 フロントカバー
本体 FIG6 リアカバー
本体 FIG7 バンパー
本体 FIG8 ミッション(~NO.1690394)
本体 FIG9 ミッション(NO.1692001~)
本体 FIG10 フロントアクセル
本体 FIG11 前輪
本体 FIG12 後輪
本体 FIG13 動力伝達(235A)
本体 FIG14 動力伝達(240A)
本体 FIG15 刈刃駆動
本体 FIG16 駆動
本体 FIG17 ステアリング
本体 FIG18 ステアリングASSY
本体 FIG19 走行操作レバー(~NO.1690394)
本体 FIG20 走行操作レバー(NO.1692001~)
本体 FIG21 副変速レバー
本体 FIG22 ブレーキ
本体 FIG23 デフロック
本体 FIG24 AWD切替
本体 FIG25 シート
本体 FIG26 刈刃リンク
本体 FIG27 刈高レバー
本体 FIG28 刈刃カバー
本体 FIG29 刈刃
本体 FIG30 刈刃ブレーキ
ミッション FIG1 ケース
ミッション FIG2 第2軸
ミッション FIG3 第1軸
ミッション FIG4 アクスル
ミッション FIG5 デフ
ミッション FIG6 ブレーキ
ミッション FIG7 PTO
ミッション FIG8 シフター
ミッション FIG9 デフシフト
ミッション FIG10 刈刃軸
フロントデフ FIG1 ケース
フロントデフ FIG2 入力軸
フロントデフ FIG3 デフ
フロントデフ FIG4 ナックル
フロントデフ FIG5 ブレーキ
CHST 補修部品 FIG1 ~NO.3634
CHST 補修部品 FIG2 NO.3635~
CMX186
本体 FIG1 エンジン(日本)
本体 FIG2 エンジンコントロール
本体 FIG3 電装(日本)
本体 FIG4 電装(HST右操作 日本)
本体 FIG5 燃料タンク
本体 FIG6 フレーム
本体 FIG7 カバー
本体 FIG8 リアカバー
本体 FIG9 バンパー
本体 FIG10 ミッション(チャージポンプ無)
本体 FIG11 フロントアクスル
本体 FIG12 前輪(AG)
本体 FIG13 後輪(AG)
本体 FIG14 動力伝達(走行)
本体 FIG15 動力伝達(刈刃)
本体 FIG16 刈刃駆動
本体 FIG17 AWD駆動
本体 FIG18 ステアリング
本体 FIG19 走行操作レバー(左ブレーキ 左HSTレバー)
本体 FIG20 走行操作レバー(左ブレーキ 右HSTレバー)
本体 FIG21 副変速レバー
本体 FIG22 ブレーキ(左)
本体 FIG23 デフロック
本体 FIG24 4WD切替
本体 FIG25 シート
本体 FIG26 刈刃リンク
本体 FIG27 刈高レバー(HST左操作)
本体 FIG28 刈高レバー(HST右操作)
本体 FIG29 刈刃カバー(標準)
本体 FIG30 刈刃
本体 FIG31 刈刃ブレーキ
本体 FIG32 エンジン(CE)
本体 FIG33 電装(CE)
本体 FIG34 ミッション(チャージポンプ付)
本体 FIG35 HSTタンク(チャージポンプ付)
本体 FIG36 走行操作レバー(左ブレーキ 左HSTレバー CE)
本体 FIG37 刈刃カバー(CE)
ミッション FIG1 ケース
ミッション FIG2 第2軸
ミッション FIG3 第1軸
ミッション FIG4 アクスル
ミッション FIG5 デフ
ミッション FIG6 ブレーキ
ミッション FIG7 PTO
ミッション FIG8 シフター
ミッション FIG9 デフシフト
ミッション FIG10 刈刃軸
フロントデフ FIG1 ケース
フロントデフ FIG2 入力軸
フロントデフ FIG3 デフ
フロントデフ FIG4 ナックル
フロントデフ FIG5 ブレーキ
CMX222
本体 FIG1 エンジン(国内)
本体 FIG2 エンジン(CE)
本体 FIG3 エンジンコントロール
本体 FIG4 電装(国内)
本体 FIG5 電装(CE)
本体 FIG6 燃料タンク
本体 FIG7 フレーム
本体 FIG8 カバー
本体 FIG9 リアカバー
本体 FIG10 バンパー
本体 FIG11 ミッション(AG)
本体 FIG12 ミッション(ターフ)
本体 FIG13 HSTタンク
本体 FIG14 フロントアクスル
本体 FIG15 前輪(AG)
本体 FIG16 後輪(AG)
本体 FIG17 前輪(ターフ)
本体 FIG18 後輪(ターフ)
本体 FIG19 動力伝達(走行)
本体 FIG20 動力伝達(刈刃)
本体 FIG21 刈刃ブレーキ
本体 FIG22 刈刃駆動
本体 FIG23 4WD駆動
本体 FIG24 ステアリング
本体 FIG25 走行操作レバー(国内)
本体 FIG26 走行操作レバー(CE)
本体 FIG27 副変速レバー
本体 FIG28 ブレーキ
本体 FIG29 デフロック
本体 FIG30 4WD切替
本体 FIG31 シート
本体 FIG32 刈刃リンク
本体 FIG33 刈刃カバー
本体 FIG34 刈刃
本体 FIG35 ガードセット(オプション)
本体 FIG36 ロプス
本体 FIG37 アジャスタ(オプション)
ミッション FIG1 ケース
ミッション FIG2 第1軸
ミッション FIG3 第2軸
ミッション FIG4 第3軸
ミッション FIG5 デフ
ミッション FIG6 アクスル
ミッション FIG7 ブレーキ
ミッション FIG8 PTO
ミッション FIG9 シフター
フロントデフ FIG1 ケース
フロントデフ FIG2 入力軸
フロントデフ FIG3 デフ
フロントデフ FIG4 ナックルRH
フロントデフ FIG5 ボス
フロントデフ FIG6 ブレーキ
フロントデフ FIG7 ナックルLH
CMX224
本体 FIG1 エンジン(日本)
本体 FIG2 エンジン(CE)
本体 FIG3 エンジンコントロール
本体 FIG4 電装(日本)
本体 FIG5 電装(CE)
本体 FIG6 電装(HST右操作)
本体 FIG7 燃料タンク
本体 FIG8 フレーム
本体 FIG9 カバー
本体 FIG10 リアカバー
本体 FIG11 ミッション(チャージポンプ無)
本体 FIG12 ミッション(チャージポンプ付)
本体 FIG13 HSTタンク(チャージポンプ付)
本体 FIG14 フロントアクスル
本体 FIG15 前輪(AG)
本体 FIG16 後輪(AG)
本体 FIG17 前輪(ターフ)
本体 FIG18 後輪(ターフ)
本体 FIG19 動力伝達(走行)
本体 FIG20 動力伝達(刈刃)
本体 FIG21 刈刃駆動
本体 FIG22 AWD駆動
本体 FIG23 ステアリング
本体 FIG24 走行操作レバー(日本) CMX224RC
本体 FIG25 走行操作レバー(CE) CMX224RCE
本体 FIG26 走行操作レバー(日本) CMX224RC100
本体 FIG27 走行操作レバー(日本) CMX224RC050/CMX224RC06
本体 FIG28 走行操作レバー(日本) CMX224RC150/CMX224RC160
本体 FIG29 副変速レバー
本体 FIG30 ブレーキ(左)
本体 FIG31 ブレーキ(右)
本体 FIG32 デフロック
本体 FIG33 4WD切替
本体 FIG34 シート
本体 FIG35 クイックターン CMX224RC060/CMX224RC160
本体 FIG36 刈刃リンク
本体 FIG37 刈高レバー(標準)
本体 FIG38 刈高レバー(HST右操作)
本体 FIG39 刈刃カバー(標準)
本体 FIG40 刈刃カバー(クイックターン)
本体 FIG41 刈刃
本体 FIG42 刈刃ブレーキ
本体 FIG43 オプション
ミッション FIG1 ケース
ミッション FIG2 第2軸
ミッション FIG3 第1軸
ミッション FIG4 アクスル
ミッション FIG5 デフ
ミッション FIG6 ブレーキ
ミッション FIG7 PTO
ミッション FIG8 シフター
ミッション FIG9 デフシフト
ミッション FIG10 刈刃軸
フロントデフ FIG1 ケース
フロントデフ FIG2 入力軸
フロントデフ FIG3 デフ
フロントデフ FIG4 ナックル
フロントデフ FIG5 ブレーキ
CMX227
本体 FIG1 エンジン(日本)
本体 FIG2 エンジン(CE Asia)
本体 FIG3 エンジンコントロール
本体 FIG4 電装(日本)
本体 FIG5 電装(CE Asia)
本体 FIG6 電装(HST右操作 日本)
本体 FIG7 燃料タンク
本体 FIG8 フレーム
本体 FIG9 カバー
本体 FIG10 リアカバー
本体 FIG11 バンパー
本体 FIG12 ミッション(チャージポンプ無)
本体 FIG13 ミッション(チャージポンプ付)
本体 FIG14 HSTタンク(チャージポンプ付)
本体 FIG15 フロントアクスル
本体 FIG16 前輪(AG)
本体 FIG17 後輪(AG)
本体 FIG18 動力伝達(走行)
本体 FIG19 動力伝達(刈刃)
本体 FIG20 刈刃駆動
本体 FIG21 AWD駆動
本体 FIG22 ステアリング
本体 FIG23 走行操作レバー(左ブレーキ 左HSTレバー)
本体 FIG24 走行操作レバー(左ブレーキ 左HSTレバー CE)
本体 FIG25 走行操作レバー(左ブレーキ 右HSTレバー)
本体 FIG26 走行操作レバー(右ブレーキ 左HSTレバー)
本体 FIG27 副変速レバー
本体 FIG28 ブレーキ(左)
本体 FIG29 ブレーキ(右)
本体 FIG30 デフロック
本体 FIG31 4WD切替
本体 FIG32 シート
本体 FIG33 クイックターン
本体 FIG34 刈刃リンク
本体 FIG35 刈高レバー(HST左操作)
本体 FIG36 刈高レバー(HST右操作)
本体 FIG37 刈刃カバー(標準)
本体 FIG38 刈刃カバー(クイックターン)
本体 FIG39 刈刃
本体 FIG40 刈刃ブレーキ
本体 FIG41 ステップバンパー
本体 FIG42 ブレーキ(左 ロング)
本体 FIG43 シート(High)
本体 FIG44 前輪(ターフ)
本体 FIG45 後輪(ターフ)
本体 FIG46 刈刃カバー(CE)
ミッション FIG1 ケース
ミッション FIG2 第2軸
ミッション FIG3 第1軸
ミッション FIG4 アクスル
ミッション FIG5 デフ
ミッション FIG6 ブレーキ
ミッション FIG7 PTO
ミッション FIG8 シフター
ミッション FIG9 デフシフト
ミッション FIG10 刈刃軸
フロントデフ FIG1 ケース
フロントデフ FIG2 入力軸
フロントデフ FIG3 デフ
フロントデフ FIG4 ナックル
フロントデフ FIG5 ブレーキ
CMX251
本体 FIG1 エンジン(国内)
本体 FIG2 エンジンコントロール
本体 FIG3 電装(国内)
本体 FIG4 燃料タンク
本体 FIG5 フレーム
本体 FIG6 フロントカバー
本体 FIG7 リアカバー
本体 FIG8 バンパー
本体 FIG9 ミッション
本体 FIG10 HSTタンク
本体 FIG11 フロントアクスル
本体 FIG12 前輪タイヤ
本体 FIG13 後輪タイヤ
本体 FIG14 動力伝達(走行)
本体 FIG15 動力伝達(刈刃)
本体 FIG16 刈刃駆動
本体 FIG17 AWD駆動
本体 FIG18 ステアリング
本体 FIG19 走行操作レバー(左ブレーキ 左HSTレバー)
本体 FIG20 副変速レバー
本体 FIG21 ブレーキ(左)
本体 FIG22 デフロックレバー
本体 FIG23 4WD切替
本体 FIG24 シート
本体 FIG25 刈刃リンク
本体 FIG26 刈高レバー(HST左操作)
本体 FIG27 刈刃カバー
本体 FIG28 刈刃
本体 FIG29 刈刃ブレーキ
ミッション FIG1 ケース
ミッション FIG2 第2軸
ミッション FIG3 第1軸
ミッション FIG4 アクスル
ミッション FIG5 デフ
ミッション FIG6 ブレーキ
ミッション FIG7 PTO
ミッション FIG8 シフター
ミッション FIG9 デフシフト
ミッション FIG10 刈刃軸
フロントデフ FIG1 ケース
フロントデフ FIG2 入力軸
フロントデフ FIG3 デフ
フロントデフ FIG4 ナックル
フロントデフ FIG5 ブレーキ
CMX253
本体 FIG1 エンジン(国内)
本体 FIG2 エンジンコントロール
本体 FIG3 電装(国内)
本体 FIG4 燃料タンク
本体 FIG5 フレーム
本体 FIG6 フロントカバー
本体 FIG7 リアカバー
本体 FIG8 バンパー
本体 FIG9 ミッション
本体 FIG10 HSTタンク
本体 FIG11 フロントアクスル
本体 FIG12 前輪タイヤ
本体 FIG13 後輪タイヤ
本体 FIG14 動力伝達(走行)
本体 FIG15 動力伝達(刈刃)
本体 FIG16 刈刃駆動
本体 FIG17 刈刃ケースAssy(Center)
本体 FIG18 刈刃ケースAssy(Right)
本体 FIG19 AWD駆動
本体 FIG20 ステアリング
本体 FIG21 走行操作レバー(左ブレーキ 左HSTレバー)
本体 FIG22 副変速レバー
本体 FIG23 ブレーキ(左)
本体 FIG24 デフロックレバー
本体 FIG25 4WD切替
本体 FIG26 シート
本体 FIG27 刈刃リンク
本体 FIG28 電動昇降
本体 FIG29 刈刃カバー
本体 FIG30 刈刃
本体 FIG31 刈刃ブレーキ
ミッション FIG1 ケース
ミッション FIG2 第2軸
ミッション FIG3 第1軸
ミッション FIG4 アクスル
ミッション FIG5 デフ
ミッション FIG6 ブレーキ
ミッション FIG7 PTO
ミッション FIG8 シフター
ミッション FIG9 デフシフト
ミッション FIG10 刈刃軸
フロントデフ FIG1 ケース
フロントデフ FIG2 入力軸
フロントデフ FIG3 デフ
フロントデフ FIG4 ナックル
フロントデフ FIG5 ブレーキ
CMX1804
本体 FIG1 エンジン(日本)
本体 FIG2 エンジン(CE AU)
本体 FIG3 エンジンコントロール
本体 FIG4 電装(日本)
本体 FIG5 電装(CE AU)
本体 FIG6 燃料タンク
本体 FIG7 フレーム
本体 FIG8 カバー
本体 FIG9 リアカバー
本体 FIG10 バンパー
本体 FIG11 ステップバンパー(CE AU)
本体 FIG12 ミッション(チャージポンプ無 JP AU)
本体 FIG13 ミッション(チャージポンプ付 CE)
本体 FIG14 HSTタンク(チャージポンプ付)
本体 FIG15 フロントアクスル
本体 FIG16 前輪(AG)
本体 FIG17 後輪(AG)
本体 FIG18 動力伝達(走行)
本体 FIG19 動力伝達(刈刃)
本体 FIG20 刈刃駆動
本体 FIG21 AWD駆動
本体 FIG22 ステアリング
本体 FIG23 走行操作レバー(左ブレーキ 左HSTレバー)
本体 FIG24 走行操作レバー(左ブレーキ 左HSTレバー CE)
本体 FIG25 走行操作レバー(左ブレーキ 左HSTレバー無 AU)
本体 FIG26 副変速レバー
本体 FIG27 ブレーキ(左)
本体 FIG28 ブレーキ(左 ロング CE)
本体 FIG29 ブレーキ(左 AU)
本体 FIG30 デフロック
本体 FIG31 4WD切替
本体 FIG32 シート
本体 FIG33 シート(High CE USA)
本体 FIG34 刈刃リンク
本体 FIG35 刈高レバー(HST左操作)
本体 FIG36 刈刃カバー
本体 FIG37 刈刃カバー(CE AU)
本体 FIG38 刈刃
本体 FIG39 刈刃ブレーキ
本体 FIG40 ステアリングAssy(~NO.1580016)
本体 FIG41 ステアリングAssy(NO.1580017~)
ミッション FIG1 ケース
ミッション FIG2 第2軸
ミッション FIG3 第1軸
ミッション FIG4 アクスル
ミッション FIG5 デフ
ミッション FIG6 ブレーキ
ミッション FIG7 PTO
ミッション FIG8 シフター
ミッション FIG9 デフシフト
ミッション FIG10 刈刃軸
フロントデフ FIG1 ケース
フロントデフ FIG2 入力軸
フロントデフ FIG3 デフ
フロントデフ FIG4 ナックル
フロントデフ FIG5 ブレーキ
CMX2202RC
本体 FIG1 エンジン(日本 韓国)
本体 FIG2 エンジン(CE Asia USA)
本体 FIG3 エンジンコントロール
本体 FIG4 電装(日本 韓国)
本体 FIG5 電装(CE Asia USA)
本体 FIG6 電装(HST右操作 日本)
本体 FIG7 燃料タンク
本体 FIG8 フレーム
本体 FIG9 カバー
本体 FIG10 リアカバー
本体 FIG11 バンパー
本体 FIG12 ステップバンパー(CE Asia USA)
本体 FIG13 ミッション(チャージポンプ無 日本 韓国 Asia)
本体 FIG14 ミッション(チャージポンプ付 CE USA)
本体 FIG15 HSTタンク(チャージポンプ付)
本体 FIG16 フロントアクスル
本体 FIG17 前輪(AG)
本体 FIG18 後輪(AG)
本体 FIG19 動力伝達(走行)
本体 FIG20 動力伝達(刈刃)
本体 FIG21 刈刃駆動
本体 FIG22 AWD駆動
本体 FIG23 ステアリング
本体 FIG24 走行操作レバー(左ブレーキ 左HSTレバー)
本体 FIG25 走行操作レバー(左ブレーキ 左HSTレバー CE USA)
本体 FIG26 走行操作レバー(左ブレーキ 右HSTレバー)
本体 FIG27 副変速レバー
本体 FIG28 ブレーキ(左)
本体 FIG29 ブレーキ(左 ロング)
本体 FIG30 デフロック
本体 FIG31 4WD切替
本体 FIG32 シート
本体 FIG33 シート(High USA)
本体 FIG34 刈刃リンク
本体 FIG35 刈高レバー(HST左操作)
本体 FIG36 刈高レバー(HST右操作)
本体 FIG37 刈刃カバー
本体 FIG38 刈刃カバー(CE USA)
本体 FIG39 刈刃
本体 FIG40 刈刃ブレーキ
本体 FIG41 フロントアクスル(ターフ)
本体 FIG42 前輪(ターフ)
本体 FIG43 後輪(ターフ)
本体 FIG44 ステアリングAssy(~NO.1561863)
本体 FIG45 ステアリングAssy(NO.1561864~)
ミッション FIG1 ケース
ミッション FIG2 第2軸
ミッション FIG3 第1軸
ミッション FIG4 アクスル
ミッション FIG5 デフ
ミッション FIG6 ブレーキ
ミッション FIG7 PTO
ミッション FIG8 シフター
ミッション FIG9 デフシフト
ミッション FIG10 刈刃軸
フロントデフ FIG1 ケース
フロントデフ FIG2 入力軸
フロントデフ FIG3 デフ
フロントデフ FIG4 ナックル
フロントデフ FIG5 ブレーキ
CMX2202YC
本体 FIG1 エンジン
本体 FIG2 エンジン(CE Asia)
本体 FIG3 エンジンコントロール
本体 FIG4 電装
本体 FIG5 電装(CE Asia)
本体 FIG6 電装(CE ISEKI)
本体 FIG7 燃料タンク
本体 FIG8 フレーム
本体 FIG9 カバー
本体 FIG10 リアカバー
本体 FIG11 バンパー
本体 FIG12 ステップバンパー(CE Asia USA)
本体 FIG13 ミッション(チャージポンプ無)
本体 FIG14 ミッション(チャージポンプ付 CE USA)
本体 FIG15 ミッション(チャージポンプ無) ガード付
本体 FIG16 ミッション(チャージポンプ無) CHST仕様
本体 FIG17 HSTタンク(チャージポンプ付)
本体 FIG18 フロントアクスル
本体 FIG19 フロントアクスル(ターフ)
本体 FIG20 前輪(AG)
本体 FIG21 前輪(ターフ)
本体 FIG22 前輪(CE/ISEKI)
本体 FIG23 後輪(AG)
本体 FIG24 後輪(ターフ)
本体 FIG25 後輪(CE/ISEKI)
本体 FIG26 動力伝達(走行)
本体 FIG27 動力伝達(刈刃)
本体 FIG28 刈刃駆動
本体 FIG29 AWD駆動
本体 FIG30 ステアリング(Asia)
本体 FIG31 ステアリング
本体 FIG32 走行操作レバー(左ブレーキ 左HSTレバー)
本体 FIG33 走行操作(Asia)
本体 FIG34 走行操作レバー(左ブレーキ 左HSTレバー CE USA)
本体 FIG35 走行操作レバー(CHST)
本体 FIG36 副変速レバー
本体 FIG37 ブレーキ(左)
本体 FIG38 ブレーキ(左 ロング)
本体 FIG39 デフロック
本体 FIG40 4WD切替
本体 FIG41 シート(Asia)
本体 FIG42 シート(日本)
本体 FIG43 シート(韓国)
本体 FIG44 シート(CE)
本体 FIG45 シート(ISEKI)
本体 FIG46 刈刃リンク
本体 FIG47 刈高レバー(HST左操作)
本体 FIG48 刈高レバー(Asia)
本体 FIG49 刈刃カバー(日本 韓国 Asia)
本体 FIG50 刈刃カバー(CE ISEKI)
本体 FIG51 刈刃
本体 FIG52 刈刃ブレーキ
ミッション FIG1 ケース
ミッション FIG2 第2軸
ミッション FIG3 第1軸
ミッション FIG4 アクスル
ミッション FIG5 デフ
ミッション FIG6 ブレーキ
ミッション FIG7 PTO
ミッション FIG8 シフター
ミッション FIG9 デフシフト
ミッション FIG10 刈刃軸
フロントデフ FIG1 ケース
フロントデフ FIG2 入力軸
フロントデフ FIG3 デフ
フロントデフ FIG4 ナックル
フロントデフ FIG5 ブレーキ
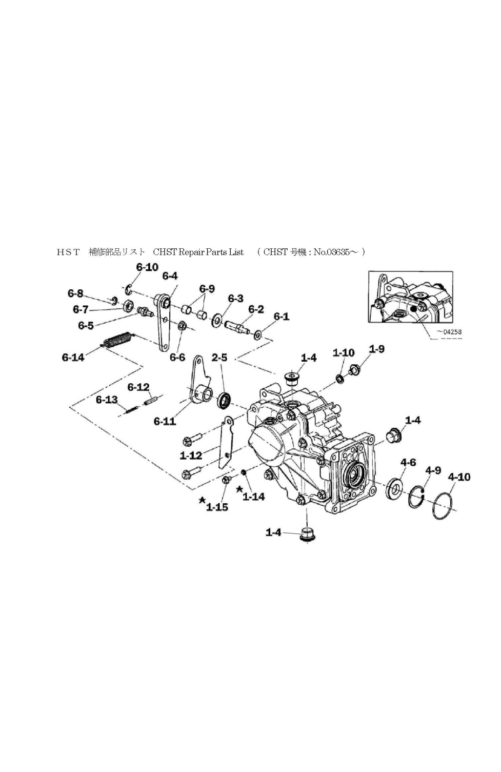
CMX2202YCV/YCS
本体 FIG1 エンジン
本体 FIG2 エンジンコントロール
本体 FIG3 電装
本体 FIG4 燃料タンク
本体 FIG5 フレーム
本体 FIG6 フロントカバー
本体 FIG7 リアカバー
本体 FIG8 バンパー
本体 FIG9 ミッション
本体 FIG10 フロントアクセル(AGタイヤ)
本体 FIG11 フロントアクセル(ターフタイヤ)
本体 FIG12 前輪(AGタイヤ)
本体 FIG13 前輪(ターフタイヤ)
本体 FIG14 後輪(AGタイヤ)
本体 FIG15 後輪(ターフタイヤ)
本体 FIG16 動力伝達(走行)
本体 FIG17 動力伝達(刈刃)
本体 FIG18 刈刃駆動
本体 FIG19 AWD駆動
本体 FIG20 ステアリング
本体 FIG21 ステアリングASSY
本体 FIG22 走行操作レバー
本体 FIG23 副変速レバー
本体 FIG24 ブレーキ
本体 FIG25 デフロック
本体 FIG26 AWD切替
本体 FIG27 シート
本体 FIG28 刈刃リンク
本体 FIG29 刈高レバー
本体 FIG30 刈刃カバー
本体 FIG31 刈刃
本体 FIG32 刈刃ブレーキ
ミッション FIG1 ケース
ミッション FIG2 第2軸
ミッション FIG3 第1軸
ミッション FIG4 アクスル
ミッション FIG5 デフ
ミッション FIG6 ブレーキ
ミッション FIG7 PTO
ミッション FIG8 シフター
ミッション FIG9 デフシフト
ミッション FIG10 刈刃軸
フロントデフ FIG1 ケース
フロントデフ FIG2 入力軸
フロントデフ FIG3 デフ
フロントデフ FIG4 ナックル
フロントデフ FIG5 ブレーキ
CHST 補修部品 FIG1 ~NO.3634
CHST 補修部品 FIG2 NO.3635~
CMX2206HC
本体 FIG1 エンジン
本体 FIG2 エンジンコントロール
本体 FIG3 電装
本体 FIG4 タンク
本体 FIG5 フレーム
本体 FIG6 フロントカバー
本体 FIG7 リアカバー
本体 FIG8 バンパー
本体 FIG9 ミッション
本体 FIG10 フロントアクスル
本体 FIG11 前輪
本体 FIG12 後輪
本体 FIG13 動力伝達(走行)
本体 FIG14 動力伝達(刈刃)
本体 FIG15 刈刃駆動
本体 FIG16 AWD駆動
本体 FIG17 ステアリング
本体 FIG18 ステアリングASSY
本体 FIG19 走行操作レバー
本体 FIG20 副変速レバー
本体 FIG21 ブレーキ
本体 FIG22 デフロック
本体 FIG23 AWD切替
本体 FIG24 シート
本体 FIG25 刈刃リンク
本体 FIG26 刈高レバー
本体 FIG27 刈刃カバー
本体 FIG28 刈刃
本体 FIG29 刈刃ブレーキ
フロントアクスル FIG1 ケース
フロントアクスル FIG2 入力軸
フロントアクスル FIG3 デフ
フロントアクスル FIG4 アクスル
フロントアクスル FIG5 ナックルアッシ
フロントアクスル FIG6 ブレーキ
ミッション FIG1 ケース
ミッション FIG2 第2軸
ミッション FIG3 第1軸
ミッション FIG4 アクスル
ミッション FIG5 デフ
ミッション FIG6 ブレーキ
ミッション FIG7 PTO
ミッション FIG8 シフター
ミッション FIG9 デフシフト
ミッション FIG10 刈刃軸
CHST 補修部品 NO.3635~
CMX2402HC
本体 FIG1 エンジン
本体 FIG2 エンジンコントロール
本体 FIG3 電装(日本)
本体 FIG4 電装(CE AU USA)
本体 FIG5 燃料タンク
本体 FIG6 フレーム
本体 FIG7 フロントカバー
本体 FIG8 リアカバー
本体 FIG9 バンパー(日本)
本体 FIG10 ステップバンパー(CE AU USA)
本体 FIG11 ミッション(チャージポンプ無 日本)
本体 FIG12 ミッション(チャージポンプ付 CE AU USA)
本体 FIG13 HSTタンク(チャージポンプ付 CE AU USA)
本体 FIG14 フロントアクスル
本体 FIG15 前輪(AG 日本 USA)
本体 FIG16 前輪(AG CE AU)
本体 FIG17 後輪(AG 日本 USA)
本体 FIG18 後輪(AG CE AU)
本体 FIG19 動力伝達(走行)
本体 FIG20 動力伝達(刈刃)
本体 FIG21 刈刃駆動
本体 FIG22 AWD駆動
本体 FIG23 ステアリング
本体 FIG24 走行操作レバー(左ブレーキ 左HSTレバー 日本)
本体 FIG25 走行操作レバー(左ブレーキ 左HSTレバー CE AU USA)
本体 FIG26 副変速レバー
本体 FIG27 ブレーキ(左 日本)
本体 FIG28 ブレーキ(左 ロング CE AU USA)
本体 FIG29 デフロック
本体 FIG30 4WD切替
本体 FIG31 シート
本体 FIG32 シート(High CE AU USA)
本体 FIG33 刈刃リンク
本体 FIG34 刈高レバー(HST左操作)
本体 FIG35 刈高レバー(HST左操作 ロング)
本体 FIG36 刈刃カバー(日本)
本体 FIG37 刈刃カバー(CE AU USA)
本体 FIG38 刈刃
本体 FIG39 刈刃ブレーキ
本体 FIG40 ステアリングAssy
ミッション FIG1 ケース
ミッション FIG2 第2軸
ミッション FIG3 第1軸
ミッション FIG4 アクスル
ミッション FIG5 デフ
ミッション FIG6 ブレーキ
ミッション FIG7 PTO
ミッション FIG8 シフター
ミッション FIG9 デフシフト
ミッション FIG10 刈刃軸
フロントデフ FIG1 ケース
フロントデフ FIG2 入力軸
フロントデフ FIG3 デフ
フロントデフ FIG4 ナックル
フロントデフ FIG5 ブレーキ
CMX2404HC/V/S
本体 FIG1 エンジン(~NO.1770862)
本体 FIG2 エンジン(NO.1770863~)
本体 FIG3 エンジンコントロール
本体 FIG4 電装(日本)
本体 FIG5 燃料タンク
本体 FIG6 フレーム
本体 FIG7 フロントカバー
本体 FIG8 リアカバー
本体 FIG9 バンパー(日本)
本体 FIG10 ミッション(チャージポンプ付)
本体 FIG11 HSTタンク(チャージポンプ付)
本体 FIG12 フロントアクスル
本体 FIG13 前輪(AG)
本体 FIG14 後輪(AG)
本体 FIG15 動力伝達(走行)
本体 FIG16 動力伝達(刈刃)
本体 FIG17 刈刃駆動
本体 FIG18 AWD駆動
本体 FIG19 ステアリング
本体 FIG20 走行操作レバー(左ブレーキ 左HSTレバー 日本)
本体 FIG21 副変速レバー
本体 FIG22 ブレーキ(左 日本)
本体 FIG23 デフロック
本体 FIG24 4WD切替
本体 FIG25 シート
本体 FIG26 刈刃リンク
本体 FIG27 刈高レバー(HST左操作)
本体 FIG28 刈刃カバー(日本)
本体 FIG29 刈刃
本体 FIG30 刈刃ブレーキ
本体 FIG31 ステアリングAssy
本体 FIG32 フロントアクスル(ターフ)
本体 FIG33 前輪(ターフ)
本体 FIG34 後輪(ターフ)
ミッション FIG1 ケース
ミッション FIG2 第2軸
ミッション FIG3 第1軸
ミッション FIG4 アクスル
ミッション FIG5 デフ
ミッション FIG6 ブレーキ
ミッション FIG7 PTO
ミッション FIG8 シフター
ミッション FIG9 デフシフト
ミッション FIG10 刈刃軸
フロントデフ FIG1 ケース
フロントデフ FIG2 入力軸
フロントデフ FIG3 デフ
フロントデフ FIG4 ナックル
フロントデフ FIG5 ブレーキ
CHST 補修部品 FIG1 ~NO.3634
CHST 補修部品 FIG2 NO.3635~
CMX2502
本体 FIG1 エンジン(日本 韓国)
本体 FIG2 エンジン(CE Asia USA)
本体 FIG3 エンジンコントロール
本体 FIG4 電装(日本 韓国)
本体 FIG5 電装(CE Asia USA)
本体 FIG6 燃料タンク
本体 FIG7 フレーム
本体 FIG8 カバー
本体 FIG9 リアカバー
本体 FIG10 バンパー
本体 FIG11 ステップバンパー(CE Asia USA)
本体 FIG12 ミッション(チャージポンプ付)
本体 FIG13 HSTタンク(チャージポンプ付)
本体 FIG14 フロントアクスル
本体 FIG15 前輪(AG)
本体 FIG16 後輪(AG)
本体 FIG17 動力伝達(走行)
本体 FIG18 動力伝達(刈刃)
本体 FIG19 刈刃駆動
本体 FIG20 AWD駆動
本体 FIG21 ステアリング
本体 FIG22 走行操作レバー(左ブレーキ 左HSTレバー)
本体 FIG23 走行操作レバー(左ブレーキ 左HSTレバー CE USA)
本体 FIG24 副変速レバー
本体 FIG25 ブレーキ(左)
本体 FIG26 ブレーキ(左 ロング CE USA)
本体 FIG27 デフロック
本体 FIG28 4WD切替
本体 FIG29 シート
本体 FIG30 シート(High CE USA)
本体 FIG31 刈刃リンク
本体 FIG32 刈高レバー(HST左操作)
本体 FIG33 刈刃カバー
本体 FIG34 刈刃カバー(CE USA)
本体 FIG35 刈刃
本体 FIG36 刈刃ブレーキ
ミッション FIG1 ケース
ミッション FIG2 第2軸
ミッション FIG3 第1軸
ミッション FIG4 アクスル
ミッション FIG5 デフ
ミッション FIG6 ブレーキ
ミッション FIG7 PTO
ミッション FIG8 シフター
ミッション FIG9 デフシフト
ミッション FIG10 刈刃軸
フロントデフ FIG1 ケース
フロントデフ FIG2 入力軸
フロントデフ FIG3 デフ
フロントデフ FIG4 ナックル
フロントデフ FIG5 ブレーキ
CMX2504
本体 FIG1 エンジン(日本 韓国)
本体 FIG2 エンジンコントロール
本体 FIG3 電装(国内)
本体 FIG4 燃料タンク
本体 FIG5 フレーム
本体 FIG6 フロントカバー
本体 FIG7 リアカバー
本体 FIG8 バンパー
本体 FIG9 ミッション
本体 FIG10 HSTタンク
本体 FIG11 フロントアクスル
本体 FIG12 前輪タイヤ
本体 FIG13 後輪タイヤ
本体 FIG14 動力伝達(走行)
本体 FIG15 動力伝達(刈刃)
本体 FIG16 刈刃駆動
本体 FIG17 刈刃ケースAssy(Center)
本体 FIG18 刈刃ケースAssy(Right)
本体 FIG19 AWD駆動
本体 FIG20 ステアリング
本体 FIG21 走行操作レバー(左ブレーキ 左HSTレバー)
本体 FIG22 副変速レバー
本体 FIG23 ブレーキ(左)
本体 FIG24 デフロックレバー
本体 FIG25 4WD切替
本体 FIG26 シート
本体 FIG27 刈刃リンク
本体 FIG28 電動昇降
本体 FIG29 刈刃カバー
本体 FIG30 刈刃
本体 FIG31 刈刃ブレーキ
ミッション FIG1 ケース
ミッション FIG2 第2軸
ミッション FIG3 第1軸
ミッション FIG4 アクスル
ミッション FIG5 デフ
ミッション FIG6 ブレーキ
ミッション FIG7 PTO
ミッション FIG8 シフター
ミッション FIG9 デフシフト
ミッション FIG10 刈刃軸
フロントデフ FIG1 ケース
フロントデフ FIG2 入力軸
フロントデフ FIG3 デフ
フロントデフ FIG4 ナックル
フロントデフ FIG5 ブレーキ
CMX2506RC
本体 FIG1 エンジン(日本 韓国)
本体 FIG2 エンジンコントロール
本体 FIG3 電装(日本 韓国)
本体 FIG4 燃料タンク
本体 FIG5 フロントカバー
本体 FIG6 リアカバー
本体 FIG7 バンパー(日本 韓国)
本体 FIG8 ミッション(チャージポンプ付)
本体 FIG9 HSTタンク(チャージポンプ付) ~NO.1720117
本体 FIG10 HSTタンク(チャージポンプ付) NO.1720118~
本体 FIG11 フロントアクスル
本体 FIG12 前輪(AG)
本体 FIG13 後輪(AG)
本体 FIG14 動力伝達(走行)
本体 FIG15 動力伝達(刈刃)
本体 FIG16 刈刃駆動
本体 FIG17 AWD駆動
本体 FIG18 ステアリング
本体 FIG19 走行操作レバー(左ブレーキ 左HSTレバー)
本体 FIG20 副変速レバー
本体 FIG21 ブレーキ(左)
本体 FIG22 デフロック
本体 FIG23 AWD切替
本体 FIG24 シート(標準)
本体 FIG25 刈刃リンク
本体 FIG26 電動昇降
本体 FIG27 刈刃カバー(標準)
本体 FIG28 刈刃
本体 FIG29 刈刃ブレーキ
ミッション FIG1 ケース
ミッション FIG2 第2軸
ミッション FIG3 第1軸
ミッション FIG4 アクスル
ミッション FIG5 デフ
ミッション FIG6 ブレーキ
ミッション FIG7 PTO
ミッション FIG8 シフター
ミッション FIG9 デフシフト
ミッション FIG10 刈刃軸
フロントデフ FIG1 ケース
フロントデフ FIG2 入力軸
フロントデフ FIG3 デフ
フロントデフ FIG4 ナックル
フロントデフ FIG5 ブレーキ
CMX2506YC/YCV/YCS
本体 FIG1 エンジン
本体 FIG2 エンジンコントロール
本体 FIG3 電装(~NO.1721194)
本体 FIG4 電装(NO.1722001~)
本体 FIG5 タンク
本体 FIG6 フロントカバー
本体 FIG7 カバー
本体 FIG8 バンパー
本体 FIG9 ミッション(~NO.1721154)
本体 FIG10 ミッション(NO.1721155~)
本体 FIG11 HSTタンク(~NO.1721154)
本体 FIG12 HSTタンク(NO.1721155~)
本体 FIG13 フロントアクスル
本体 FIG14 前輪
本体 FIG15 後輪
本体 FIG16 動力伝達(走行)
本体 FIG17 動力伝達(刈刃)
本体 FIG18 刈刃駆動
本体 FIG19 AWD駆動
本体 FIG20 ステアリング
本体 FIG21 ステアリングASSY
本体 FIG22 走行操作(~NO.1721154)
本体 FIG23 走行操作(NO.1721155~)
本体 FIG24 副変速
本体 FIG25 ブレーキ
本体 FIG26 デフロック
本体 FIG27 4WD切替
本体 FIG28 シート
本体 FIG29 刈刃リンク
本体 FIG30 電動昇降(~NO.1722000)
本体 FIG31 電動昇降(NO.1722001~)
本体 FIG32 刈刃カバー
本体 FIG33 刈刃
本体 FIG34 刈刃ブレーキ
本体 FIG35 石飛びカバーセット
ミッション FIG1 ケース
ミッション FIG2 第2軸
ミッション FIG3 第1軸
ミッション FIG4 アクスル
ミッション FIG5 デフ
ミッション FIG6 ブレーキ
ミッション FIG7 PTO
ミッション FIG8 シフター
ミッション FIG9 デフシフト
ミッション FIG10 刈刃軸
フロントデフ FIG1 ケース
フロントデフ FIG2 入力軸
フロントデフ FIG3 デフ
フロントデフ FIG4 ナックル
フロントデフ FIG5 ブレーキ
CH1021 8001 H000 補修部品
CMX2508YC/YCS
本体 FIG1 エンジン(国内)
本体 FIG2 エンジンコントロール
本体 FIG3 電装
本体 FIG4 燃料タンク
本体 FIG5 フロントカバー
本体 FIG6 リアカバー
本体 FIG7 バンパー
本体 FIG8 ミッション(~NO.1750032)
本体 FIG9 ミッション(NO.1752001~)
本体 FIG10 HSTタンク(~NO.1750032)
本体 FIG11 HSTタンク(NO.1752001~)
本体 FIG12 フロントアクスル
本体 FIG13 前輪タイヤ
本体 FIG14 後輪タイヤ
本体 FIG15 動力伝達(走行)
本体 FIG16 動力伝達(刈刃)
本体 FIG17 刈刃駆動
本体 FIG18 刈刃ケースAssy(Center)
本体 FIG19 刈刃ケースAssy(Right)
本体 FIG20 AWD駆動
本体 FIG21 ステアリング
本体 FIG22 走行操作レバー(~NO.1750032)
本体 FIG23 走行操作レバー(NO.1752001~)
本体 FIG24 副変速レバー
本体 FIG25 ブレーキ(左)
本体 FIG26 デフロックレバー
本体 FIG27 4WD切替
本体 FIG28 シート
本体 FIG29 スライドリンク
本体 FIG30 電動昇降
本体 FIG31 刈刃カバー
本体 FIG32 刈刃
本体 FIG33 刈刃ブレーキ
ミッション FIG1 ケース
ミッション FIG2 第2軸
ミッション FIG3 第1軸
ミッション FIG4 アクスル
ミッション FIG5 デフ
ミッション FIG6 ブレーキ
ミッション FIG7 PTO
ミッション FIG8 シフター
ミッション FIG9 デフシフト
ミッション FIG10 刈刃軸
フロントデフ FIG1 ケース
フロントデフ FIG2 入力軸
フロントデフ FIG3 デフ
フロントデフ FIG4 ナックル
フロントデフ FIG5 ブレーキ
OREC(オーレック)
ブルモアー(ハンマーナイフ)
HR400W
カバー部 1/1
ハンドル部 1/2
ハンドル部 2/2
タイヤ部 1/1
エンジン部 1/2
エンジン部 2/2
ロータリー部 1/4
ロータリー部 2/4
ロータリー部 3/4
ロータリー部 4/4
ミッション部 1/4
ミッション部 2/4
ミッション部 3/4
ミッション部 4/4
オプション 1/1
HR401
カバー部 1/1
ハンドル部 1/3
ハンドル部 2/3
ハンドル部 3/3
タイヤ部 1/1
エンジン部 1/3
エンジン部 2/3
エンジン部 3/3
ロータリー部 1/4
ロータリー部 2/4
ロータリー部 3/4
ロータリー部 4/4
ミッション部 1/4
ミッション部 2/4
ミッション部 3/4
ミッション部 4/4
オプション部 1/1
HR402/HR402X
ハンドル部 1/3
ハンドル部 2/3
ハンドル部 3/3
ロータリー部 1/5
ロータリー部 2/5
ロータリー部 3/5
ロータリー部 4/5
ロータリー部 5/5
エンジン部 1/2
エンジン部 2/2
ミッション部 1/4
ミッション部 2/4
ミッション部 3/4
ミッション部 4/4
オプション部 1/1
HR531
ハンドル部 1/2
ハンドル部 2/2
フレーム部 1/4
フレーム部 2/4
フレーム部 3/4
フレーム部 4/4
ミッション部 1/8
ミッション部 2/8
ミッション部 3/8
ミッション部 4/8
ミッション部 5/8
ミッション部 6/8
ミッション部 7/8
ミッション部 8/8
ロータリー部 1/5
ロータリー部 2/5
ロータリー部 3/5
ロータリー部 4/5
ロータリー部 5/5
エンジン部 1/2
エンジン部 2/2
HR531S/HR532S/HR532SX
ハンドル部 1/2
ハンドル部 2/2
フレーム部 1/6
フレーム部 2/6
フレーム部 3/6
フレーム部 4/6
フレーム部 5/6
フレーム部 6/6
ミッション部 1/6
ミッション部 2/6
ミッション部 3/6
ミッション部 4/6
ミッション部 5/6
ミッション部 6/6
ロータリー部 1/5
ロータリー部 2/5
ロータリー部 3/5
ロータリー部 4/5
ロータリー部 5/5
エンジン部 1/1
HR532/HR532X
ハンドル部 1/2
ハンドル部 2/2
フレーム部 1/4
フレーム部 2/4
フレーム部 3/4
フレーム部 4/4
ミッション部 1/6
ミッション部 2/6
ミッション部 3/6
ミッション部 4/6
ミッション部 5/6
ミッション部 6/6
ロータリー部 1/5
ロータリー部 2/5
ロータリー部 3/5
ロータリー部 4/5
ロータリー部 5/5
エンジン部 1/2
エンジン部 2/2
HR662/HR802
ハンドル部 1/2
ハンドル部 2/2
フレーム部 1/6
フレーム部 2/6
フレーム部 3/6
フレーム部 4/6
フレーム部 5/6
フレーム部 6/6
ミッション部 1/5
ミッション部 2/5
ミッション部 3/5
ミッション部 4/5
ミッション部 5/5
ロータリー部 1/7
ロータリー部 2/7
ロータリー部 3/7
ロータリー部 4/7
ロータリー部 5/7
ロータリー部 6/7
ロータリー部 7/7
HR662S
1-1 ハンドル部
1-2 ハンドル部
2-1 フレーム部
2-2 フレーム部
2-3 フレーム部
2-4 フレーム部
2-5 フレーム部
2-6 フレーム部
3-1 ミッション部
3-2 ミッション部
3-3 ミッション部
3-4 ミッション部
3-5 ミッション部
4-1 ロータリー部
4-2 ロータリー部
4-3 ロータリー部
4-4 ロータリー部
4-5 ロータリー部
HR663/HR803
ハンドル部 1/2
ハンドル部 2/2
フレーム部 1/6
フレーム部 2/6
フレーム部 3/6
フレーム部 4/6
フレーム部 5/6
フレーム部 6/6
ロータリー部 1/7(HR663)
ロータリー部 2/7(HR803)
ロータリー部 3/7
ロータリー部 4/7(HR663)
ロータリー部 5/7(HR803)
ロータリー部 6/7
ロータリー部 7/7
ミッション部 1/5
ミッション部 2/5
ミッション部 3/5
ミッション部 4/5
ミッション部 5/5
エンジン部 1/3
エンジン部 2/3
エンジン部 3/3
HR665/HR805
ハンドル部 1/2
ハンドル部 2/2
フレーム部 1/6
フレーム部 2/6
フレーム部 3/6
フレーム部 4/6
フレーム部 5/6
フレーム部 6/6
ミッション部 1/5
ミッション部 2/5
ミッション部 3/5
ミッション部 4/5
ミッション部 5/5
ロータリー部 1/7(HR665)
ロータリー部 2/7(HR805)
ロータリー部 3/7
ロータリー部 4/7(HR665)
ロータリー部 5/7(HR805)
ロータリー部 6/7
ロータリー部 7/7
エンジン部 1/3(三菱)
エンジン部 2/3(HONDA)
エンジン部 3/3(HONDA)
HRC663/HRC803
ハンドル部 1/2
ハンドル部 2/2
フレーム部 1/4
フレーム部 2/4
フレーム部 3/4
フレーム部 4/4
ミッション部 1/6
ミッション部 2/6
ミッション部 3/6
ミッション部 4/6
ミッション部 5/6
ミッション部 6/6
ロータリー部 1/7(HRC663)
ロータリー部 2/7(HRC803)
ロータリー部 3/7
ロータリー部 4/7(HRC663)
ロータリー部 5/7(HRC803)
ロータリー部 6/7
ロータリー部 7/7
クローラー部 1/2
クローラー部 2/2
エンジン部 1/1
オプション部 1/2
オプション部 2/2
HRC664/HRC804
ハンドル部 1/2
ハンドル部 2/2
フレーム部 1/4
フレーム部 2/4
フレーム部 3/4
フレーム部 4/4
ミッション部 1/6
ミッション部 2/6
ミッション部 3/6
ミッション部 4/6
ミッション部 5/6
ミッション部 6/6
ロータリー部 1/7(HRC664)
ロータリー部 2/7(HRC804)
ロータリー部 3/7
ロータリー部 4/7(HRC664)
ロータリー部 5/7(HRC804)
ロータリー部 6/7
ロータリー部 7/7
クローラー部 1/2
クローラー部 2/2
エンジン部 1/1
オプション部 1/2
オプション部 2/2
HRC664S
ハンドル部 1/3
ハンドル部 2/3
ハンドル部 3/3
フレーム部 1/6
フレーム部 2/6
フレーム部 3/6
フレーム部 4/6
フレーム部 5/6
フレーム部 6/6
ミッション部 1/6
ミッション部 2/6
ミッション部 3/6
ミッション部 4/6
ミッション部 5/6
ミッション部 6/6
ロータリー部 1/5
ロータリー部 2/5
ロータリー部 3/5
ロータリー部 4/5
ロータリー部 5/5
クローラー部 1/2
クローラー部 2/2
エンジン部 1/1
オプション部 1/2
オプション部 2/2
HRC665/HRC805
ハンドル部 1/2
ハンドル部 2/2
フレーム部 1/4
フレーム部 2/4
フレーム部 3/4
フレーム部 4/4
ミッション部 1/6
ミッション部 2/6
ミッション部 3/6
ミッション部 4/6
ミッション部 5/6
ミッション部 6/6
ロータリー部 1/7(HRC665)
ロータリー部 2/7(HRC805)
ロータリー部 3/7
ロータリー部 4/7(HRC665)
ロータリー部 5/7(HRC805)
ロータリー部 6/7
ロータリー部 7/7
エンジン部 1/2(三菱)
エンジン部 2/2(HONDA)
クローラー部 1/2
クローラー部 2/2
オプション部 1/2
オプション部 2/2
HRC665S
ハンドル部 1/3
ハンドル部 2/3
ハンドル部 3/3
フレーム部 1/6
フレーム部 2/6
フレーム部 3/6
フレーム部 4/6
フレーム部 5/6
フレーム部 6/6
ミッション部 1/6
ミッション部 2/6
ミッション部 3/6
ミッション部 4/6
ミッション部 5/6
ミッション部 6/6
ロータリー部 1/5
ロータリー部 2/5
ロータリー部 3/5
ロータリー部 4/5
ロータリー部 5/5
クローラー部 1/2
クローラー部 2/2
エンジン部 1/1
オプション部 1/2
オプション部 2/2
HRT661・662/HRT801・802
ハンドル部 1/2
ハンドル部 2/2
フレーム部 1/7
フレーム部 2/7
フレーム部 3/7
フレーム部 4/7
フレーム部 5/7
フレーム部 6/7
フレーム部 7/7
ミッション部 1/5
ミッション部 2/5
ミッション部 3/5
ミッション部 4/5
ミッション部 5/5
ロータリー部 1/4
ロータリー部 2/4
ロータリー部 3/4
ロータリー部 4/4
HRT662X/HRT802X
ハンドル部 1/2
ハンドル部 2/2
フレーム部 1/7
フレーム部 2/7
フレーム部 3/7
フレーム部 4/7
フレーム部 5/7
フレーム部 6/7
フレーム部 7/7
ミッション部 1/5
ミッション部 2/5
ミッション部 3/5
ミッション部 4/5
ミッション部 5/5
ロータリー部 1/4
ロータリー部 2/4
ロータリー部 3/4
ロータリー部 4/4
HRT663
ハンドル部 1/2
ハンドル部 2/2
フレーム部 1/7
フレーム部 2/7
フレーム部 3/7
フレーム部 4/7
フレーム部 5/7
フレーム部 6/7
フレーム部 7/7
ミッション部 1/5
ミッション部 2/5
ミッション部 3/5
ミッション部 4/5
ミッション部 5/5
ロータリー部 1/4
ロータリー部 2/4
ロータリー部 3/4
ロータリー部 4/4
HRH801
ハンドル部 1/3
ハンドル部 2/3
ハンドル部 3/3
フレーム部 1/5
フレーム部 2/5
フレーム部 3/5
フレーム部 4/5
フレーム部 5/5
ミッション部 1/5
ミッション部 2/5
ミッション部 3/5
ミッション部 4/5
ミッション部 5/5
HST部 1/2
HST部 2/2
ロータリー部 1/5
ロータリー部 2/5
ロータリー部 3/5
ロータリー部 4/5
ロータリー部 5/5
エンジン部 1/2 (三菱)
エンジン部 2/2(カワサキ)
HRH802/HRH802X
ハンドル部 1/3
ハンドル部 2/3
ハンドル部 3/3
フレーム部 1/5
フレーム部 2/5
フレーム部 3/5
フレーム部 4/5
フレーム部 5/5
ミッション部 1/5
ミッション部 2/5
ミッション部 3/5
ミッション部 4/5
ミッション部 5/5
HST部 1/2
HST部 2/2
ロータリー部 1/5
ロータリー部 2/5
ロータリー部 3/5
ロータリー部 4/5
ロータリー部 5/5
エンジン部
HRS815
ハンドル部 1/3
ハンドル部 2/3
ハンドル部 3/3
フレーム部 1/7
フレーム部 2/7
フレーム部 3/7
フレーム部 4/7
フレーム部 5/7
フレーム部 6/7
フレーム部 7/7
ミッション部 1/6
ミッション部 2/6
ミッション部 3/6
ミッション部 4/6
ミッション部 5/6
ミッション部 6/6
カウンターケース部 1/3
カウンターケース部 2/3
カウンターケース部 3/3
ロータリー部 1/9
ロータリー部 2/9
ロータリー部 3/9
ロータリー部 4/9
ロータリー部 5/9
ロータリー部 6/9
ロータリー部 7/9
ロータリー部 8/9
ロータリー部 9/9
クローラー部 1/2
クローラー部 2/2
エンジン部 1/1
ステップ部 1/2
ステップ部 2/2
ZHR800
全体部 1/6
全体部 2/6
全体部 3/6
全体部 4/6
全体部 5/6
全体部 6/6
クローラーフレーム部 1/3
クローラーフレーム部 2/3
クローラーフレーム部 3/3
ハンドル部 1/4
ハンドル部 2/4
ハンドル部 3/4
ハンドル部 4/4
ロータリー部 1/7
ロータリー部 2/7
ロータリー部 3/7
ロータリー部 4/7
ロータリー部 5/7
ロータリー部 6/7
ロータリー部 7/7
エンジン部 1/5
エンジン部 2/5
エンジン部 3/5
エンジン部 4/5
エンジン部 5/5
ミッション部 1/8
ミッション部 2/8
ミッション部 3/8
ミッション部 4/8
ミッション部 5/8
ミッション部 6/8
ミッション部 7/8
ミッション部 8/8
HSTユニットR部 1/1
HSTユニットL部 1/1
オプション部 1/2
オプション部 2/2
楽々ディバイダー
楽々ディバイダー 1/1
楽々ディバイダー 1/2
楽々ディバイダー 2/2
ラビットモアー(乗用)
RMJ800
フレーム部 1/7
フレーム部 2/7
フレーム部 3/7
フレーム部 4/7
フレーム部 5/7
フレーム部 6/7
フレーム部 7/7
ミッション部 1/6
ミッション部 2/6
ミッション部 3/6
ミッション部 4/6
ミッション部 5/6
ミッション部 6/6
フロント部 1/4
フロント部 2/4
フロント部 3/4
フロント部 4/4
刈取部 1/3
刈取部 2/3
刈取部 3/3
シート部 1/1
RM830
フレーム部 1/15
フレーム部 2/15
フレーム部 3/15
フレーム部 4/15
フレーム部 5/15
フレーム部 6/15
フレーム部 7/15
フレーム部 8/15
フレーム部 9/15
フレーム部 10/15
フレーム部 11/15
フレーム部 12/15
フレーム部 13/15
フレーム部 14/15
フレーム部 15/15
ミッション部 1/9
ミッション部 2/9
ミッション部 3/9
ミッション部 4/9
ミッション部 5/9
ミッション部 6/9
ミッション部 7/9
ミッション部 8/9
ミッション部 9/9
HST部 1/2
HST部 2/2
ハンドル部 1/2
ハンドル部 2/2
フロント部 1/3
フロント部 2/3
フロント部 3/3
コントロール部 1/4
コントロール部 2/4
コントロール部 3/4 (B&S)
コントロール部 4/4(HONDA)
刈取部 1/6
刈取部 2/6
刈取部 3/6
刈取部 4/6
刈取部 5/6
刈取部 6/6
シート部 1/3
シート部 2/3
シート部 3/3
エンジン部 1/6(B&S)
エンジン部 2/6
エンジン部 3/6(B&S)
エンジン部 4/6(HONDA)
エンジン部 5/6
エンジン部 6/6
ライトオプション
RM83G/RM831G/RM831GX
フレーム部 1/17
フレーム部 2/17
フレーム部 3/17
フレーム部 4/17
フレーム部 5/17(ブリグスエンジン)
フレーム部 6/17(ホンダエンジン)
フレーム部 7/17(ブリグスエンジン)
フレーム部 8/17(ホンダエンジン)
フレーム部 9/17
フレーム部 10/17
フレーム部 11/17
フレーム部 12/17
フレーム部 13/17
フレーム部 14/17
フレーム部 15/17
フレーム部 16/17
フレーム部 17/17
ミッション部 1/8
ミッション部 2/8
ミッション部 3/8
ミッション部 4/8
ミッション部 5/8
ミッション部 6/8
ミッション部 7/8
ミッション部 8/8
ハンドル部 1/2
ハンドル部 2/2
フロント部 1/3
フロント部 2/3
フロント部 3/3
タイヤ部 1/1
コントロール部 1/2
コントロール部 2/2
刈取部 1/7
刈取部 2/7
刈取部 3/7
刈取部 4/7
刈取部 5/7
刈取部 6/7
刈取部 7/7
シート部 1/3
シート部 2/3
シート部 3/3
エンジン部 1/6(ブリグスエンジン)
エンジン部 2/6(ブリグスエンジン)
エンジン部 3/6(ホンダエンジン)
エンジン部 4/6(ホンダエンジン)
エンジン部 5/6
エンジン部 6/6
ライトオプション 1/1
RM832
フレーム部 1/15
フレーム部 2/15
フレーム部 3/15
フレーム部 4/15
フレーム部 5/15
フレーム部 6/15
フレーム部 7/15
フレーム部 8/15
フレーム部 9/15
フレーム部 10/15
フレーム部 11/15
フレーム部 12/15
フレーム部 13/15
フレーム部 14/15
フレーム部 15/15
ミッション部 1/9
ミッション部 2/9
ミッション部 3/9
ミッション部 4/9
ミッション部 5/9
ミッション部 6/9
ミッション部 7/9
ミッション部 8/9
ミッション部 9/9
HST部 1/2
HST部 2/2
ハンドル部 1/2
ハンドル部 2/2
フロント部 1/3
フロント部 2/3
フロント部 3/3
コントロール部 1/3
コントロール部 2/3
コントロール部 3/3
刈取部 1/6
刈取部 2/6
刈取部 3/6
刈取部 4/6
刈取部 5/6
刈取部 6/6
シート部 1/3
シート部 2/3
シート部 3/3
エンジン部 1/4
エンジン部 2/4
エンジン部 3/4
エンジン部 4/4
ライトオプション
RM831/RM831X
フレーム部 1/17
フレーム部 2/17
フレーム部 3/17
フレーム部 4/17
フレーム部 5/17
フレーム部 6/17
フレーム部 7/17
フレーム部 8/17
フレーム部 9/17
フレーム部 10/17
フレーム部 11/17
フレーム部 12/17
フレーム部 13/17
フレーム部 14/17
フレーム部 15/17
フレーム部 16/17
フレーム部 17/17
ミッション部 1/9
ミッション部 2/9
ミッション部 3/9
ミッション部 4/9
ミッション部 5/9
ミッション部 6/9
ミッション部 7/9
ミッション部 8/9
ミッション部 9/9
HST部 1/2
HST部 2/2
ハンドル部 1/2
ハンドル部 2/2
フロント部 1/3
フロント部 2/3
フロント部 3/3
コントロール部 1/5
コントロール部 2/5(ブリグスエンジン)
コントロール部 3/5(ホンダエンジン)
コントロール部 4/5(ブリグスエンジン)
コントロール部 5/5(ホンダエンジン)
刈取部 1/6
刈取部 2/6
刈取部 3/6
刈取部 4/6
刈取部 5/6
刈取部 6/6
シート部 1/3
シート部 2/3
シート部 3/3
エンジン部 1/6(ブリグスエンジン)
エンジン部 2/6(ブリグスエンジン)
エンジン部 3/6(ホンダエンジン)
エンジン部 4/6(ホンダエンジン)
エンジン部 5/6
エンジン部 6/6
ライトオプション
RM832G
フレーム部 1/15
フレーム部 2/15
フレーム部 3/15
フレーム部 4/15
フレーム部 5/15
フレーム部 6/15
フレーム部 7/15
フレーム部 8/15
フレーム部 9/15
フレーム部 10/15
フレーム部 11/15
フレーム部 12/15
フレーム部 13/15
フレーム部 14/15
フレーム部 15/15
ミッション部 1/8
ミッション部 2/8
ミッション部 3/8
ミッション部 4/8
ミッション部 5/8
ミッション部 6/8
ミッション部 7/8
ミッション部 8/8
ハンドル部 1/2
ハンドル部 2/2
フロント部 1/3
フロント部 2/3
フロント部 3/3
タイヤ部 1/1
コントロール部 1/2
コントロール部 2/2
刈取部 1/7
刈取部 2/7
刈取部 3/7
刈取部 4/7
刈取部 5/7
刈取部 6/7
刈取部 7/7
シート部 1/3
シート部 2/3
シート部 3/3
エンジン部 1/4
エンジン部 2/4
エンジン部 3/4
エンジン部 4/4
ライトオプション 1/1
RM881
フレーム部 1/14
フレーム部 2/14
フレーム部 3/14
フレーム部 4/14
フレーム部 5/14
フレーム部 6/14
フレーム部 7/14
フレーム部 8/14
フレーム部 9/14
フレーム部 10/14
フレーム部 11/14
フレーム部 12/14
フレーム部 13/14
フレーム部 14/14
ミッションHST部 1/9
ミッションHST部 2/9
ミッションHST部 3/9
ミッションHST部 4/9
ミッションHST部 5/9
ミッションHST部 6/9
ミッションHST部 7/9
ミッションHST部 8/9
ミッションHST部 9/9
ハンドル部 1/4
ハンドル部 2/4
ハンドル部 3/4
ハンドル部 4/4
フロント部 1/4
フロント部 2/4
フロント部 3/4
フロント部 4/4
タイヤ部 1/1
コントロール部 1/3
コントロール部 2/3
コントロール部 3/3
刈取部 1/6
刈取部 2/6
刈取部 3/6
刈取部 4/6
刈取部 5/6
刈取部 6/6
シート部 1/3
シート部 2/3
シート部 3/3
カワサキエンジン部 1/3
カワサキエンジン部 2/3
カワサキエンジン部 3/3
ブリグスエンジン部 1/3
ブリグスエンジン部 2/3
ブリグスエンジン部 3/3
ターフタイヤセット
RM883X/RM883/RM881A
フレーム部 1/14
フレーム部 2/14
フレーム部 3/14
フレーム部 4/14
フレーム部 5/14
フレーム部 6/14
フレーム部 7/14
フレーム部 8/14
フレーム部 9/14
フレーム部 10/14
フレーム部 11/14
フレーム部 12/14
フレーム部 13/14
フレーム部 14/14
ミッションHST部 1/9
ミッションHST部 2/9
ミッションHST部 3/9
ミッションHST部 4/9
ミッションHST部 5/9
ミッションHST部 6/9
ミッションHST部 7/9
ミッションHST部 8/9
ミッションHST部 9/9
ハンドル部 1/4
ハンドル部 2/4
ハンドル部 3/4
ハンドル部 4/4
フロント部 1/4
フロント部 2/4
フロント部 3/4
フロント部 4/4
タイヤ部 1/1
コントロール部 1/3
コントロール部 2/3
コントロール部 3/3
刈取部 1/6
刈取部 2/6
刈取部 3/6
刈取部 4/6
刈取部 5/6
刈取部 6/6
シート部 1/4
シート部 2/4
シート部 3/4
シート部 4/4
エンジン部 1/3
エンジン部 2/3
エンジン部 3/3
ターフタイヤ部 1/1
RM951
フレーム部 1/14
フレーム部 2/14
フレーム部 3/14
フレーム部 4/14
フレーム部 5/14
フレーム部 6/14
フレーム部 7/14
フレーム部 8/14
フレーム部 9/14
フレーム部 10/14
フレーム部 11/14
フレーム部 12/14
フレーム部 13/14
フレーム部 14/14
ミッションHST部 1/9
ミッションHST部 2/9
ミッションHST部 3/9
ミッションHST部 4/9
ミッションHST部 5/9
ミッションHST部 6/9
ミッションHST部 7/9
ミッションHST部 8/9
ミッションHST部 9/9
ハンドル部 1/4
ハンドル部 2/4
ハンドル部 3/4
ハンドル部 4/4
フロント部 1/4
フロント部 2/4
フロント部 3/4
フロント部 4/4
タイヤ部 1/1
コントロール部 1/3
コントロール部 2/3
コントロール部 3/3
刈取部 1/6
刈取部 2/6
刈取部 3/6
刈取部 4/6
刈取部 5/6
刈取部 6/6
シート部 1/3
シート部 2/3
シート部 3/3
カワサキエンジン部 1/3
カワサキエンジン部 2/3
カワサキエンジン部 3/3
ブリグスエンジン部 1/3
ブリグスエンジン部 2/3
ブリグスエンジン部 3/3
ターフタイヤセット
RM953X/RM953/RM951A
フレーム部 1/14
フレーム部 2/14
フレーム部 3/14
フレーム部 4/14
フレーム部 5/14
フレーム部 6/14
フレーム部 7/14
フレーム部 8/14
フレーム部 9/14
フレーム部 10/14
フレーム部 11/14
フレーム部 12/14
フレーム部 13/14
フレーム部 14/14
ミッションHST部 1/9
ミッションHST部 2/9
ミッションHST部 3/9
ミッションHST部 4/9
ミッションHST部 5/9
ミッションHST部 6/9
ミッションHST部 7/9
ミッションHST部 8/9
ミッションHST部 9/9
ハンドル部 1/4
ハンドル部 2/4
ハンドル部 3/4
ハンドル部 4/4
フロント部 1/4
フロント部 2/4
フロント部 3/4
フロント部 4/4
タイヤ部 1/1
コントロール部 1/4
コントロール部 2/4
コントロール部 3/4
コントロール部 4/4
刈取部 1/6
刈取部 2/6
刈取部 3/6
刈取部 4/6
刈取部 5/6
刈取部 6/6
シート部 1/4
シート部 2/4
シート部 3/4
シート部 4/4
カワサキエンジン部 1/3
カワサキエンジン部 2/3
カワサキエンジン部 3/3
ブリグスエンジン部 1/3
ブリグスエンジン部 2/3
ブリグスエンジン部 3/3
ターフタイヤ部 1/1
RM981
フレーム部 1/13
フレーム部 2/13
フレーム部 3/13
フレーム部 4/13
フレーム部 5/13
フレーム部 6/13
フレーム部 7/13
フレーム部 8/13
フレーム部 9/13
フレーム部 10/13
フレーム部 11/13
フレーム部 12/13
フレーム部 13/13
ナイフテンションプーリー 1/1
フロントリンク左右 1/1
ミッション&HST部 1/3
ミッション&HST部 2/3
ミッション&HST部 3/3
ミッション部 1/8
ミッション部 2/8
ミッション部 3/8
ミッション部 4/8
ミッション部 5/8
ミッション部 6/8
ミッション部 7/8
ミッション部 8/8
HST部 1/4
HST部 2/4
HST部 3/4
HST部 4/4
後輪タイヤ左右ASSYボス付 1/2
後輪タイヤ左右ASSYボス付 2/2
HSTタンクASSY 1/1
ハンドル部 1/4
ハンドル部 2/4
ハンドル部 3/4
ハンドル部 4/4
フロント部 1/5
フロント部 2/5
フロント部 3/5
フロント部 4/5
フロント部 5/5
左前輪 1/2
左前輪 2/2
右前輪 1/2
右前輪 2/2
コントロール部 1/7
コントロール部 2/7
コントロール部 3/7
コントロール部 4/7
コントロール部 5/7
コントロール部 6/7
コントロール部 7/7
刈取部 1/7
刈取部 2/7
刈取部 3/7
刈取部 4/7
刈取部 5/7
刈取部 6/7
刈取部 7/7
シート部 1/4
シート部 2/4
シート部 3/4
シート部 4/4
B&Sエンジン部 1/4
B&Sエンジン部 2/4
B&Sエンジン部 3/4
B&Sエンジン部 4/4
FS651Vエンジン部 1/4
FS651Vエンジン部 2/4
FS651Vエンジン部 3/4
FS651Vエンジン部 4/4
燃料タンク&フロントマスク部 1/4
燃料タンク&フロントマスク部 2/4
燃料タンク&フロントマスク部 3/4
燃料タンク&フロントマスク部 4/4
サイドカウル&ボンネット部 1/5
サイドカウル&ボンネット部 2/5
サイドカウル&ボンネット部 3/5
サイドカウル&ボンネット部 4/5
サイドカウル&ボンネット部 5/5
ターフタイヤセット 1/1
RM983X/RM983/RM981A
フレーム部 1/13
フレーム部 2/13
フレーム部 3/13
フレーム部 4/13
フレーム部 5/13
フレーム部 6/13
フレーム部 7/13
フレーム部 8/13
フレーム部 9/13
フレーム部 10/13
フレーム部 11/13
フレーム部 12/13
フレーム部 13/13
ナイフテンションプーリー 1/1
フロントリンク左右 1/1
ミッション&HST部 1/3
ミッション&HST部 2/3
ミッション&HST部 3/3
ミッション部 1/8
ミッション部 2/8
ミッション部 3/8
ミッション部 4/8
ミッション部 5/8
ミッション部 6/8
ミッション部 7/8
ミッション部 8/8
HST部 1/4
HST部 2/4
HST部 3/4
HST部 4/4
後輪タイヤ左右ASSYボス付 1/2
後輪タイヤ左右ASSYボス付 2/2
HSTタンクASSY 1/1
ハンドル部 1/4
ハンドル部 2/4
ハンドル部 3/4
ハンドル部 4/4
フロント部 1/5
フロント部 2/5
フロント部 3/5
フロント部 4/5
フロント部 5/5
左前輪 1/2
左前輪 2/2
右前輪 1/2
右前輪 2/2
刈取部 1/7
刈取部 2/7
刈取部 3/7
刈取部 4/7
刈取部 5/7
刈取部 6/7
刈取部 7/7
コントロール部 1/7
コントロール部 2/7
コントロール部 3/7
コントロール部 4/7
コントロール部 5/7
コントロール部 6/7
コントロール部 7/7
シート部 1/4
シート部 2/4
シート部 3/4
シート部 4/4
B&Sエンジン部 1/4
B&Sエンジン部 2/4
B&Sエンジン部 3/4
B&Sエンジン部 4/4
FS651Vエンジン部 1/4
FS651Vエンジン部 2/4
FS651Vエンジン部 3/4
FS651Vエンジン部 4/4
燃料タンク&フロントマスク部 1/4
燃料タンク&フロントマスク部 2/4
燃料タンク&フロントマスク部 3/4
燃料タンク&フロントマスク部 4/4
サイドカウル&ボンネット部 1/5
サイドカウル&ボンネット部 2/5
サイドカウル&ボンネット部 3/5
サイドカウル&ボンネット部 4/5
サイドカウル&ボンネット部 5/5
ターフタイヤ部 1/4
ターフタイヤ部 2/4
ターフタイヤ部 3/4
ターフタイヤ部 4/4
RM984/RM984X
フレーム部 1/16
フレーム部 2/16
フレーム部 3/16
フレーム部 4/16
フレーム部 5/16
フレーム部 6/16
フレーム部 7/16
フレーム部 8/16
フレーム部 9/16
フレーム部 10/16
フレーム部 11/16
フレーム部 12/16
フレーム部 13/16
フレーム部 14/16
フレーム部 15/16
フレーム部 16/16
ミッション部 &HST部 1/1
ミッション部 1/8
ミッション部 2/8
ミッション部 3/8
ミッション部 4/8
ミッション部 5/8
ミッション部 6/8
ミッション部 7/8
ミッション部 8/8
HST部 1/2
HST部 2/2
後輪タイヤ左右ASSYボス付 1/2
後輪タイヤ左右ASSYボス付 2/2
左前輪 1/2
左前輪 2/2
右前輪 1/2
右前輪 2/2
ハンドル部 1/3
ハンドル部 2/3
ハンドル部 3/3
フロント部 1/5
フロント部 2/5
フロント部 3/5
フロント部 4/5
フロント部 5/5
コントロール部 1/3
コントロール部 2/3
コントロール部 3/3
刈取部 1/6
刈取部 2/6
刈取部 3/6
刈取部 4/6
刈取部 5/6
刈取部 6/6
シート部 1/3
シート部 2/3
シート部 3/3
エンジン部 1/2
エンジン部 2/2
RM980F
フレーム部 1/14
フレーム部 2/14
フレーム部 3/14
フレーム部 4/14
フレーム部 5/14
フレーム部 6/14
フレーム部 7/14
フレーム部 8/14
フレーム部 9/14
フレーム部 10/14
フレーム部 11/14
フレーム部 12/14
フレーム部 13/14
フレーム部 14/14
ミッション部 1/9
ミッション部 2/9
ミッション部 3/9
ミッション部 4/9
ミッション部 5/9
ミッション部 6/9
ミッション部 7/9
ミッション部 8/9
ミッション部 9/9
HST部 1/2
HST部 2/2
ハンドル部 1/6
ハンドル部 2/6
ハンドル部 3/6
ハンドル部 4/6
ハンドル部 5/6
ハンドル部 6/6
フロント部 1/5
フロント部 2/5
フロント部 3/5 左前輪
フロント部 4/5 右前輪
フロント部 5/5
コントロール部 1/5
コントロール部 2/5
コントロール部 3/5
コントロール部 4/5
コントロール部 5/5
刈取部 1/7
刈取部 2/7
刈取部 3/7
刈取部 4/7
刈取部 5/7
刈取部 6/7
刈取部 7/7
シート部 1/3
シート部 2/3
シート部 3/3
エンジン部 1/6
エンジン部 2/6
エンジン部 3/6
エンジン部 4/6
エンジン部 5/6
エンジン部 6/6
タイロッドN ASSY
モーターカバー ASSY
フロントシャフト1N ASSY
フロントシャフト2 ASSY
アクスルフランジN ASSY
ステアリングロッドN ASSY
フロントアクスルケース ASSY
フロントギアケース ASSY
フロントギアボックス ASSY
スピンドル ASSY
サービスパーツ ASSY 1/2
サービスパーツ ASSY 2/2
RM983FX/RM983F/RM982F
フレーム部 1/14
フレーム部 2/14
フレーム部 3/14
フレーム部 4/14
フレーム部 5/14
フレーム部 6/14
フレーム部 7/14
フレーム部 8/14
フレーム部 9/14
フレーム部 10/14
フレーム部 11/14
フレーム部 12/14
フレーム部 13/14
フレーム部 14/14
ミッション部 1/8
ミッション部 2/8
ミッション部 3/8
ミッション部 4/8
ミッション部 5/8
ミッション部 6/8
ミッション部 7/8
ミッション部 8/8
HST部 1/2
HST部 2/2
ハンドル部 1/4
ハンドル部 2/4
ハンドル部 3/4
ハンドル部 4/4
フロント部 1/5
フロント部 2/5
フロント部 3/5
フロント部 4/5
フロント部 5/5
タイヤ部 1/1
コントロール部 1/3
コントロール部 2/3
コントロール部 3/3
刈取部 1/6
刈取部 2/6
刈取部 3/6
刈取部 4/6
刈取部 5/6
刈取部 6/6
シート部 1/4
シート部 2/4
シート部 3/4
シート部 4/4
エンジン部 1/3
エンジン部 2/3
エンジン部 3/3
タイロッドN ASSY
モーターカバー ASSY
フロントシャフト1N ASSY
フロントシャフト2 ASSY
アクスルフランジN ASSY
ステアリングロッドN ASSY
フロントアクスルケース ASSY
フロントギアケース ASSY
フロントギアボックス ASSY
スピンドル ASSY
サービスパーツ ASSY 1/2
サービスパーツ ASSY 2/2
RMK150
フレーム部 1/14
フレーム部 2/14
フレーム部 3/14
フレーム部 4/14
フレーム部 5/14
フレーム部 6/14
フレーム部 7/14
フレーム部 8/14
フレーム部 9/14
フレーム部 10/14
フレーム部 11/14
フレーム部 12/14
フレーム部 13/14
フレーム部 14/14
ミッションHST部 1/9
ミッションHST部 2/9
ミッションHST部 3/9
ミッションHST部 4/9
ミッションHST部 5/9
ミッションHST部 6/9
ミッションHST部 7/9
ミッションHST部 8/9
ミッションHST部 9/9
ハンドル部 1/4
ハンドル部 2/4
ハンドル部 3/4
ハンドル部 4/4
フロント部 1/4
フロント部 2/4
フロント部 3/4
フロント部 4/4
タイヤ部(前輪、後輪)1/1
コントロール部 1/3
コントロール部 2/3
コントロール部 3/3
刈取部 1/8
刈取部 2/8
刈取部 3/8
刈取部 4/8
刈取部 5/8
刈取部 6/8
刈取部 7/8
刈取部 8/8
オフセット部 1/9
オフセット部 2/9
オフセット部 3/9
オフセット部 4/9
オフセット部 5/9
オフセット部 6/9
オフセット部 7/9
オフセット部 8/9
オフセット部 9/9
シート部 1/3
シート部 2/3
シート部 3/3
エンジン部 1/4
エンジン部 2/4
エンジン部 3/4
エンジン部 4/4
RMK151X/RMK151/RMK150A
フレーム部 1/14
フレーム部 2/14
フレーム部 3/14
フレーム部 4/14
フレーム部 5/14
フレーム部 6/14
フレーム部 7/14
フレーム部 8/14
フレーム部 9/14
フレーム部 10/14
フレーム部 11/14
フレーム部 12/14
フレーム部 13/14
フレーム部 14/14
ミッションHST部 1/9
ミッションHST部 2/9
ミッションHST部 3/9
ミッションHST部 4/9
ミッションHST部 5/9
ミッションHST部 6/9
ミッションHST部 7/9
ミッションHST部 8/9
ミッションHST部 9/9
ハンドル部 1/4
ハンドル部 2/4
ハンドル部 3/4
ハンドル部 4/4
フロント部 1/4
フロント部 2/4
フロント部 3/4
フロント部 4/4
タイヤ部(前輪、後輪)1/1
コントロール部 1/3
コントロール部 2/3
コントロール部 3/3
刈取部 1/8
刈取部 2/8
刈取部 3/8
刈取部 4/8
刈取部 5/8
刈取部 6/8
刈取部 7/8
刈取部 8/8
オフセット部 1/9
オフセット部 2/9
オフセット部 3/9
オフセット部 4/9
オフセット部 5/9
オフセット部 6/9
オフセット部 7/9
オフセット部 8/9
オフセット部 9/9
シート部 1/4
シート部 2/4
シート部 3/4
シート部 4/4
エンジン部 1/4
エンジン部 2/4
エンジン部 3/4
エンジン部 4/4
RMK1600
フレーム部 1/14
フレーム部 2/14
フレーム部 3/14
フレーム部 4/14
フレーム部 5/14
フレーム部 6/14
フレーム部 7/14
フレーム部 8/14
フレーム部 9/14
フレーム部 10/14
フレーム部 11/14
フレーム部 12/14
フレーム部 13/14
フレーム部 14/14
ミッション部 1/9
ミッション部 2/9
ミッション部 3/9
ミッション部 4/9
ミッション部 5/9
ミッション部 6/9
ミッション部 7/9
ミッション部 8/9
ミッション部 9/9
HST部 1/2
HST部 2/2
ハンドル部 1/4
ハンドル部 2/4
ハンドル部 3/4
ハンドル部 4/4
フロント部 1/4
フロント部 1/4
フロント部 2/4
フロント部 3/4
フロント部 4/4
コントロール部 1/6
コントロール部 2/6
コントロール部 3/6
コントロール部 4/6
コントロール部 5/6
コントロール部 6/6
メイン刈取部 1/8
メイン刈取部 2/8
メイン刈取部 3/8
メイン刈取部 4/8
メイン刈取部 5/8
メイン刈取部 6/8
メイン刈取部 7/8
メイン刈取部 8/8
オフセット刈取部 1/8
オフセット刈取部 2/8
オフセット刈取部 3/8
オフセット刈取部 4/8
オフセット刈取部 5/8
オフセット刈取部 5/8
オフセット刈取部 6/8
オフセット刈取部 6/8
オフセット刈取部 7/8
オフセット刈取部 8/8
リアフレーム部 1/4
リアフレーム部 2/4
リアフレーム部 3/4
リアフレーム部 4/4
シート部 1/3
シート部 2/3
シート部 3/3
コンプレッサ部
エンジン部 1/5
エンジン部 2/5
エンジン部 3/5
エンジン部 4/5
エンジン部 5/5
RMK180/RMK180X
フレーム部 1/16
フレーム部 2/16
フレーム部 3/16
フレーム部 4/16
フレーム部 5/16
フレーム部 6/16
フレーム部 7/16
フレーム部 8/16
フレーム部 9/16
フレーム部 10/16
フレーム部 11/16
フレーム部 12/16
フレーム部 13/16
フレーム部 14/16
フレーム部 15/16
フレーム部 16/16
ミッションHST部 1/9
ミッションHST部 2/9
ミッションHST部 3/9
ミッションHST部 4/9
ミッションHST部 5/9
ミッションHST部 6/9
ミッションHST部 7/9
ミッションHST部 8/9
ミッションHST部 9/9
ハンドル部 1/4
ハンドル部 2/4
ハンドル部 3/4
ハンドル部 4/4
フロント部 1/4
フロント部 2/4
フロント部 3/4
フロント部 4/4
タイヤ部(前輪、後輪)1/1
コントロール部 1/4
コントロール部 2/4
コントロール部 3/4
コントロール部 4/4
刈取部 1/8
刈取部 2/8
刈取部 3/8
刈取部 4/8
刈取部 5/8
刈取部 6/8
刈取部 7/8
刈取部 8/8
中間カバー部 1/5
中間カバー部 2/5
中間カバー部 3/5
中間カバー部 4/5
中間カバー部 5/5
オフセット部 1/9
オフセット部 2/9
オフセット部 3/9
オフセット部 4/9
オフセット部 5/9
オフセット部 6/9
オフセット部 7/9
オフセット部 8/9
オフセット部 9/9
シート部 1/4
シート部 2/4
シート部 3/4
シート部 4/4
エンジン部 1/4
エンジン部 2/4
エンジン部 3/4
エンジン部 4/4
RMT110
フレーム部 1/14
フレーム部 2/14
フレーム部 3/14
フレーム部 4/14
フレーム部 5/14
フレーム部 6/14
フレーム部 7/14
フレーム部 8/14
フレーム部 9/14
フレーム部 10/14
フレーム部 11/14
フレーム部 12/14
フレーム部 13/14
フレーム部 14/14
ミッションHST部 1/9
ミッションHST部 2/9
ミッションHST部 3/9
ミッションHST部 4/9
ミッションHST部 5/9
ミッションHST部 6/9
ミッションHST部 7/9
ミッションHST部 8/9
ミッションHST部 9/9
ハンドル部 1/4
ハンドル部 2/4
ハンドル部 3/4
ハンドル部 4/4
フロント部 1/4
フロント部 2/4
フロント部 3/4
フロント部 4/4
後輪タイヤ左右ASSYボス付 1/1
コントロール部 1/4
コントロール部 2/4
コントロール部 3/4
コントロール部 4/4
刈取部 1/8
刈取部 2/8
刈取部 3/8
刈取部 4/8~5/8
刈取部 6/8
刈取部 7/8
刈取部 8/8
シート部 1/4
シート部 2/4
シート部 3/4
シート部 4/4
エンジン部 1/3
エンジン部 2/3
エンジン部 3/3
ターフタイヤ部 1/1
牽引式スイーパー SW700
フレーム部 1/1
ブラシ部 1/2
ブラシ部 2/2
ヒッチ部 1/1
バケット部 1/2
バケット部 2/2
剪定枝フォーク
1/6
2/6
3/6
4/6
5/6
6/6
スパイダーモアー(斜面刈り)
SP853
ハンドル部 1/4
ハンドル部 2/4
ハンドル部 3/4
ハンドル部 4/4
駆動部 1/4
駆動部 2/4
駆動部 3/4
駆動部 4/4
ミッション部 1/11
ミッション部 2/11
ミッション部 3/11
ミッション部 4/11
ミッション部 5/11
ミッション部 6/11
ミッション部 7/11
ミッション部 8/11
ミッション部 9/11
ミッション部 10/11
ミッション部 11/11
刈取部 1/3
刈取部 2/3
刈取部 3/3
エンジン部 1/1
SP852AF
1-1 ハンドル部
1-2 ハンドル部
1-3 ハンドル部
1-4 ハンドル部
2-1 駆動部
2-2 駆動部
2-3 駆動部
2-4 駆動部
3-1 ミッション部
3-2 ミッション部
3-3 ミッション部
3-4 ミッション部
3-5 ミッション部
3-6 ミッション部
3-7 ミッション部
3-8 ミッション部
3-9 ミッション部
3-10 ミッション部
4-1 刈取部
4-2 刈取部
4-3 刈取部
4-4 刈取部
5-1 エンジン部
SP852F
1-1 ハンドル部
1-2 ハンドル部
1-3 ハンドル部
1-4 ハンドル部
2-1 駆動部
2-2 駆動部
2-3 駆動部
2-4 駆動部
3-1 ミッション部
3-2 ミッション部
3-3 ミッション部
3-4 ミッション部
3-5 ミッション部
3-6 ミッション部
3-7 ミッション部
3-8 ミッション部
3-9 ミッション部
3-10 ミッション部
4-1 刈取部
4-2 刈取部
4-3 刈取部
4-4 刈取部
5-1 エンジン部
SP851AF
1-1 ハンドル部
1-2 ハンドル部
1-3 ハンドル部
1-4 ハンドル部
2-1 駆動部
2-2 駆動部
2-3 駆動部
2-4 駆動部
3-1 ミッション部
3-2 ミッション部
3-3 ミッション部
3-4 ミッション部
3-5 ミッション部
3-6 ミッション部
3-7 ミッション部
3-8 ミッション部
3-9 ミッション部
3-10 ミッション部
4-1 刈取部
4-2 刈取部
4-3 刈取部
4-4 刈取部
5-1 エンジン部
SP851A
1-1 ハンドル部
1-2 ハンドル部
1-3 ハンドル部
1-4 ハンドル部
2-1 駆動部
2-2 駆動部
2-3 駆動部
2-4 駆動部
3-1 ミッション部
3-2 ミッション部
3-3 ミッション部
3-4 ミッション部
3-5 ミッション部
3-6 ミッション部
3-7 ミッション部
3-8 ミッション部
3-9 ミッション部
3-10 ミッション部
4-1 刈取部
4-2 刈取部
4-3 刈取部
4-4 刈取部
5-1 エンジン部
SP851
1-1 ハンドル部
1-2 ハンドル部
1-3 ハンドル部
1-4 ハンドル部
2-1 駆動部
2-2 駆動部
2-3 駆動部
2-4 駆動部
3-1 ミッション部
3-2 ミッション部
3-3 ミッション部
3-4 ミッション部
3-5 ミッション部
3-6 ミッション部
3-7 ミッション部
3-8 ミッション部
3-9 ミッション部
3-10 ミッション部
4-1 刈取部
4-2 刈取部
4-3 刈取部
4-4 刈取部
5-1 エンジン部
SP650AF
1-1 ハンドル部
1-2 ハンドル部
1-3 ハンドル部
1-4 ハンドル部
2-1 駆動部
2-2 駆動部
2-3 駆動部
2-4 駆動部
3-1 ミッション部
3-2 ミッション部
3-3 ミッション部
3-4 ミッション部
3-5 ミッション部
3-6 ミッション部
3-7 ミッション部
3-8 ミッション部
3-9 ミッション部
3-10 ミッション部
4-1 刈取部
4-2 刈取部
4-3 刈取部
4-4 刈取部
5-1 エンジン部
SP431F
ハンドル部 1/3
ハンドル部 2/3
ハンドル部 3/3
駆動部 1/5
駆動部 2/5
駆動部 3/5
駆動部 4/5
駆動部 5/5
刈取部 1/1
ミッション部 1/9
ミッション部 2/9
ミッション部 3/9
ミッション部 4/9
ミッション部 5/9
ミッション部 6/9
ミッション部 7/9
ミッション部 8/9
ミッション部 9/9
エンジン部 1/1
SP430A
ハンドル部 1/3
ハンドル部 2/3
ハンドル部 3/3
駆動部 1/5
駆動部 2/5
駆動部 3/5
駆動部 4/5
駆動部 5/5
刈取部 1/1
ミッション部 1/9
ミッション部 2/9
ミッション部 3/9
ミッション部 4/9
ミッション部 5/9
ミッション部 6/9
ミッション部 7/9
ミッション部 8/9
ミッション部 9/9
エンジン部 1/1
SP301(H)
ハンドル部 1/3
ハンドル部 2/3
ハンドル部 3/3
刈り取り部 1/2
刈り取り部 2/2
駆動部 1/2
駆動部 2/2
ミッション部 1/11
ミッション部 2/11
ミッション部 3/11
ミッション部 4/11
ミッション部 5/11
ミッション部 6/11
ミッション部 7/11
ミッション部 8/11
ミッション部 9/11
ミッション部 10/11
ミッション部 11/11
エンジン部 1/1
SP301A
ハンドル部 1/3
ハンドル部 2/3
ハンドル部 3/3
刈り取り部 1/2
刈り取り部 2/2
駆動部 1/2
駆動部 2/2
ミッション部 1/11
ミッション部 2/11
ミッション部 3/11
ミッション部 4/11
ミッション部 5/11
ミッション部 6/11
ミッション部 7/11
ミッション部 8/11
ミッション部 9/11
ミッション部 10/11
ミッション部 11/11
エンジン部 1/1
SP301
ハンドル部 1/3
ハンドル部 2/3
ハンドル部 3/3
刈り取り部 1/2
刈り取り部 2/2
駆動部 1/2
駆動部 2/2
ミッション部 1/11
ミッション部 2/11
ミッション部 3/11
ミッション部 4/11
ミッション部 5/11
ミッション部 6/11
ミッション部 7/11
ミッション部 8/11
ミッション部 9/11
ミッション部 10/11
ミッション部 11/11
エンジン部 1/1
SP300A
ハンドル部 1/3
ハンドル部 2/3
ハンドル部 3/3
刈り取り部 1/2
刈り取り部 2/2
駆動部 1/2
駆動部 2/2
ミッション部 1/11
ミッション部 2/11
ミッション部 3/11
ミッション部 4/11
ミッション部 5/11
ミッション部 6/11
ミッション部 7/11
ミッション部 8/11
ミッション部 9/11
ミッション部 10/11
ミッション部 11/11
エンジン部 1/1
スパイダーモアーRC(ラジコン)
RCSP530
全体部・プロポ周辺部 1/1
フレーム部 1/3
フレーム部 2/3
フレーム部 3/3
エンジン部 1/5
エンジン部 2/5
エンジン部 3/5
エンジン部 4/5
エンジン部 5/5
ロータリー部 1/4
ロータリー部 2/4
ロータリー部 3/4
ロータリー部 4/4
ナイフギアボックス部 1/1
保護フレーム部 1/1
基板ボックス部 1/4
基板ボックス部 2/4
基板ボックス部 3/4
基板ボックス部 4/4
ナイフユニット部 1/2
ナイフユニット部 2/2
刈高ユニット部 1/4
刈高ユニット部 2/4
刈高ユニット部 3/4
刈高ユニット部 4/4
走行ミッション部 1/5
走行ミッション部 2/5
走行ミッション部 3/5
走行ミッション部 4/5
走行ミッション部 5/5
ウイングモアー(あぜ2面刈り)
WM603
ハンドル部 1/2
ハンドル部 2/2
フレーム部 1/7
フレーム部 2/7
フレーム部 3/7
フレーム部 4/7
フレーム部 5/7
フレーム部 6/7
フレーム部 7/7
ミッション部 1/3
ミッション部 2/3
ミッション部 3/3
ギアボックス右
ロータリーカバー左 1/3
ロータリーカバー左 2/3
ロータリーカバー左 3/3
ジョイントカバー部
ギアボックス左
WM624A
ハンドル部 1/2
ハンドル部 2/2
フレーム部 1/7
フレーム部 2/7
フレーム部 3/7
フレーム部 4/7
フレーム部 5/7
フレーム部 6/7
フレーム部 7/7
ミッション部 1/3
ミッション部 2/3
ミッション部 3/3
ギアボックス 1/1
ロータリーカバー部 1/3
ロータリーカバー部 2/3
ロータリーカバー部 3/3
ジョイントカバー部 1/1
ギアボックス 1/1
WM626
ハンドル部 1/2
ハンドル部 2/2
フレーム部 1/7
フレーム部 2/7
フレーム部 3/7
フレーム部 4/7
フレーム部 5/7
フレーム部 6/7
フレーム部 7/7
ミッション部 1/3
ミッション部 2/3
ミッション部 3/3
ギアボックス右 1/1
ロータリーカバー左 1/3
ロータリーカバー左 2/3
ロータリーカバー左 3/3
ジョイントカバー部 1/1
ギアボックス左 1/1
WM636A
ハンドル部 1/2
ハンドル部 2/2
前輪駆動部 1/4
前輪駆動部 2/4
前輪駆動部 3/4
前輪駆動部 4/4
フレーム部 1/7
フレーム部 2/7
フレーム部 3/7
フレーム部 4/7
フレーム部 5/7
フレーム部 6/7
フレーム部 7/7
トルクリミッタ部 1/1
ミッション部 1/3
ミッション部 2/3
ミッション部 3/3
ギアボックス右 1/1
ロータリーカバー左 1/3
ロータリーカバー左 2/3
ロータリーカバー左 3/3
ジョイントカバー部
ギアボックス左 1/1
WM634
ハンドル部 1/2
ハンドル部 2/2
フレーム部 1/7
フレーム部 2/7
フレーム部 3/7
フレーム部 4/7
フレーム部 5/7
フレーム部 6/7
フレーム部 7/7
ミッション部 1/3
ミッション部 2/3
ミッション部 3/3
ギアボックス右
ロータリーカバー左 1/3
ロータリーカバー左 2/3
ロータリーカバー左 3/3
ジョイントカバー部
ギアボックス左
WM646
ハンドル部 1/2
ハンドル部 2/2
前輪駆動部 1/4
前輪駆動部 2/4
前輪駆動部 3/4
前輪駆動部 4/4
フレーム部 1/7
フレーム部 2/7
フレーム部 3/7
フレーム部 4/7
フレーム部 5/7
フレーム部 6/7
フレーム部 7/7
トルクリミッタ部 1/1
ミッション部 1/3
ミッション部 2/3
ミッション部 3/3
ギアボックス右 1/1
ロータリーカバー左 1/3
ロータリーカバー左 2/3
ロータリーカバー左 3/3
ジョイントカバー部
ギアボックス左 1/1
WM646F
ハンドル部 1/2
ハンドル部 2/2
前輪駆動部 1/4
前輪駆動部 2/4
前輪駆動部 3/4
前輪駆動部 4/4
フレーム部 1/7
フレーム部 2/7
フレーム部 3/7
フレーム部 4/7
フレーム部 5/7
フレーム部 6/7
フレーム部 7/7
トルクリミッタ部 1/1
ミッション部 1/3
ミッション部 2/3
ミッション部 3/3
ギアボックス右 1/1
ロータリーカバー左 1/3
ロータリーカバー左 2/3
ロータリーカバー左 3/3
ジョイントカバー部
ギアボックス左 1/1
WM736B
ハンドル部 1/2
ハンドル部 2/2
前輪駆動部 1/4
前輪駆動部 2/4
前輪駆動部 3/4
前輪駆動部 4/4
フレーム部 1/7
フレーム部 2/7
フレーム部 3/7
フレーム部 4/7
フレーム部 5/7
フレーム部 6/7
フレーム部 7/7
トルクリミッタ部 1/1
ミッション部 1/3
ミッション部 2/3
ミッション部 3/3
ギアボックス右 1/1
ロータリーカバー部 1/3
ロータリーカバー部 2/3
ロータリーカバー部 3/3
ジョイントカバー部 1/1
ギアボックス左 1/1
WM736BF
ハンドル部 1/2
ハンドル部 2/2
前輪駆動部 1/4
前輪駆動部 2/4
前輪駆動部 3/4
前輪駆動部 4/4
フレーム部 1/7
フレーム部 2/7
フレーム部 3/7
フレーム部 4/7
フレーム部 5/7
フレーム部 6/7
フレーム部 7/7
トルクリミッタ部 1/1
ミッション部 1/3
ミッション部 2/3
ミッション部 3/3
ギヤボックス右 1/1
ロータリーカバー左 1/3
ロータリーカバー左 2/3
ロータリーカバー左 3/3
ジョイントカバー部 1/1
ギアボックス左 1/1
WM746F
ハンドル部 1/2
ハンドル部 2/2
前輪駆動部 1/4
前輪駆動部 2/4
前輪駆動部 3/4
前輪駆動部 4/4
フレーム部 1/7
フレーム部 2/7
フレーム部 3/7
フレーム部 4/7
フレーム部 5/7
フレーム部 6/7
フレーム部 7/7
トルクリミッタ部 1/1
ミッション部 1/3
ミッション部 2/3
ミッション部 3/3
ギアボックス右 1/1
ロータリーカバー左部 1/3
ロータリーカバー左部 2/3
ロータリーカバー左部 3/3
ジョイントカバー部 1/1
ギアボックス部 1/1
WM747Pro
ハンドル部 1/2
ハンドル部 2/2
前輪駆動部 1/4
前輪駆動部 2/4
前輪駆動部 3/4
前輪駆動部 4/4
フレーム部 1/7
フレーム部 2/7
フレーム部 3/7
フレーム部 4/7
フレーム部 5/7
フレーム部 6/7
フレーム部 7/7
トルクリミッタ部 1/1
ミッション部 1/3
ミッション部 2/3
ミッション部 3/3
ギアボックス右 1/1
ロータリーカバー左 1/3
ロータリーカバー左 2/3
ロータリーカバー左 3/3
ギアボックス左 1/1
ジョイントカバー部 1/1
WM757P
ハンドル部 1/2
ハンドル部 2/2
前輪駆動部 1/4
前輪駆動部 2/4
前輪駆動部 3/4
前輪駆動部 4/4
フレーム部 1/7
フレーム部 2/7
フレーム部 3/7
フレーム部 4/7
フレーム部 5/7
フレーム部 6/7
フレーム部 7/7
トルクリミッタ部 1/1
ミッション部 1/3
ミッション部 2/3
ミッション部 3/3
ギアボックス右 1/1
ロータリーカバー左 1/3
ロータリーカバー左 2/3
ロータリーカバー左 3/3
ギアボックス左 1/1
ジョイントカバー部 1/1
WMC726A
クローラ部 1/4
クローラ部 2/4
クローラ部 3/4
クローラ部 4/4
ハンドル部 1/3
ハンドル部 2/3
ハンドル部 3/3
前輪駆動部 1/5
前輪駆動部 2/5
前輪駆動部 3/5
前輪駆動部 4/5
前輪駆動部 5/5
フレーム部 1/5
フレーム部 2/5
フレーム部 3/5
フレーム部 4/5
フレーム部 5/5
トルクリミッタ部 1/1
ギアボックス右 1/1
ロータリーカバー左 1/3
ロータリーカバー左 2/3
ロータリーカバー左 3/3
ジョイントカバー部
ギアボックス左 1/1
ミッション部 1/3
ミッション部 2/3
ミッション部 3/3
WMC726AF
クローラ部 1/4
クローラ部 2/4
クローラ部 3/4
クローラ部 4/4
ハンドル部 1/3
ハンドル部 2/3
ハンドル部 3/3
前輪駆動部 1/5
前輪駆動部 2/5
前輪駆動部 3/5
前輪駆動部 4/5
前輪駆動部 5/5
フレーム部 1/5
フレーム部 2/5
フレーム部 3/5
フレーム部 4/5
フレーム部 5/5
トルクリミッタ部 1/1
ギアボックス右 1/1
ロータリーカバー左 1/3
ロータリーカバー左 2/3
ロータリーカバー左 3/3
ジョイントカバー部
ギアボックス左 1/1
ミッション部 1/3
ミッション部 2/3
ミッション部 3/3
WMC736F
クローラ部 1/4
クローラ部 2/4
クローラ部 3/4
クローラ部 4/4
ハンドル部 1/3
ハンドル部 2/3
ハンドル部 3/3
前輪駆動部 1/5
前輪駆動部 2/5
前輪駆動部 3/5
前輪駆動部 4/5
前輪駆動部 5/5
フレーム部 1/5
フレーム部 2/5
フレーム部 3/5
フレーム部 4/5
フレーム部 5/5
トルクリミッタ部 1/1
ギアボックス右 1/1
ロータリーカバー左 1/3
ロータリーカバー左 2/3
ロータリーカバー左 3/3
ジョイントカバー部 1/1
ギアボックス左 1/1
ミッション部 1/3
ミッション部 2/3
ミッション部 3/3
WMC747P
クローラ部 1/4
クローラ部 2/4
クローラ部 3/4
クローラ部 4/4
ハンドル部 1/3
ハンドル部 2/3
ハンドル部 3/3
前輪駆動部 1/5
前輪駆動部 2/5
前輪駆動部 3/5
前輪駆動部 4/5
前輪駆動部 5/5
フレーム部 1/5
フレーム部 2/5
フレーム部 3/5
フレーム部 4/5
フレーム部 5/5
トルクリミッタ部 1/1
ギアボックス右 1/1
ロータリーカバー部 1/3
ロータリーカバー部 2/3
ロータリーカバー部 3/3
ジョイントカバー部 1/1
ギアボックス左 1/1
ミッション部 1/3
ミッション部 2/3
ミッション部 3/3
クワガタモアー(幹周刈り)
KU350
ハンドル部 1/1
フレーム部 1/6
フレーム部 2/6
フレーム部 3/6
フレーム部 4/6
フレーム部 5/6
フレーム部 6/6
ギアボックス部 1/1
タイヤ部 1/1
ミッション部 1/5
ミッション部 2/5
ミッション部 3/5
ミッション部 4/5
ミッション部 5/5
刈取ベース部 1/2
刈取ベース部 2/2
刈取シャフト部(左)1/2
刈取シャフト部(左)2/2
刈取シャフト部(右)1/2
刈取シャフト部(右)2/2
刈取部(左)1/2
刈取部(左)2/2
刈取部(右)1/2
刈取部(右)2/2
オートモアー(小型草刈機)
AM62A
ハンドル部 1/2
ハンドル部 2/2
テンション部 1/1
ナイフブレーキ部 1/1
ナイフ部 1/2
ナイフ部 2/2
エンジン部 1/1
前輪部 1/1
アンダーボンネット部 1/1
ギヤボックス部 1/1
タイヤ部 1/1
フレーム部 1/1
ミッション部 1/4
ミッション部 2/4
ミッション部 3/4
ミッション部 4/4
オプション(ダブルタイヤ)1/1
AM62B
ハンドル部 1/2
ハンドル部 2/2
テンション部 1/1
ナイフブレーキ部 1/1
ナイフ部 1/2
ナイフ部 2/2
エンジン部 1/1
前輪部 1/1
アンダーボンネット部 1/1
ギヤボックス部 1/1
タイヤ部 1/1
フレーム部 1/1
ミッション部 1/5
ミッション部 2/5
ミッション部 3/5
ミッション部 4/5
ミッション部 5/5
オプション(ダブルタイヤ)1/1
AM72B
ハンドル部 1/2
ハンドル部 2/2
テンション部 1/1
ナイフブレーキ部 1/1
ナイフ部 1/2
ナイフ部 2/2
エンジン部 1/1
前輪部 1/1
アンダーボンネット部 1/1
ギヤボックス部 1/1
タイヤ部 1/1
フレーム部 1/1
ミッション部 1/5
ミッション部 2/5
ミッション部 3/5
ミッション部 4/5
ミッション部 5/5
オプション(ダブルタイヤ)1/1
AM80
01.ハンドル
02.ミッション
03.ギアボックス
04.フレーム
AM63A/AM63AX
ハンドル部 1/2
ハンドル部 2/2
テンション部 1/1
ナイフブレーキ部 1/1
ナイフ部 1/2
ナイフ部 2/2
エンジン部 1/1
前輪部 1/1
アンダーボンネット部 1/1
ギヤボックス部 1/1
タイヤ部 1/1
フレーム部 1/1
ミッション部 1/4
ミッション部 2/4
ミッション部 3/4
ミッション部 4/4
AM63B/AM63BX
ハンドル部 1/2
ハンドル部 2/2
テンション部 1/1
ナイフブレーキ部 1/1
ナイフ部 1/2
ナイフ部 2/2
エンジン部 1/1
前輪部 1/1
アンダーボンネット部 1/1
ギアボックス部 1/1
タイヤ部 1/1
フレーム部 1/1
ミッション部 1/5
ミッション部 2/5
ミッション部 3/5
ミッション部 4/5
ミッション部 5/5
AM73B/AM73BX
ハンドル部 1/2
ハンドル部 2/2
テンション部 1/1
ナイフブレーキ部 1/1
ナイフ部 1/2
ナイフ部 2/2
エンジン部 1/1
前輪部 1/1
アンダーボンネット部 1/1
ギアボックス部 1/1
タイヤ部 1/1
フレーム部 1/1
ミッション部 1/5
ミッション部 2/5
ミッション部 3/5
ミッション部 4/5
ミッション部 5/5
AM81/AM81X
ハンドル部 1/1
フレーム部 1/8
フレーム部 2/8
フレーム部 3/8
フレーム部 4/8
フレーム部 5/8
フレーム部 6/8
フレーム部 7/8
フレーム部 8/8
ミッション部 1/5
ミッション部 2/5
ミッション部 3/5
ミッション部 4/5
ミッション部 5/5
ロータリー部 1/4
ロータリー部 2/4
ロータリー部 3/4
ロータリー部 4/4
AM64B
ハンドル部 1/2
ハンドル部 2/2
フレーム部 1/9
フレーム部 2/9
フレーム部 3/9
フレーム部 4/9
フレーム部 5/9
フレーム部 6/9
フレーム部 7/9
フレーム部 8/9
フレーム部 9/9
ミッション部 1/5
ミッション部 2/5
ミッション部 3/5
ミッション部 4/5
ミッション部 5/5
ギアボックス部 1/1
AM74B
ハンドル部 1/2
ハンドル部 2/2
フレーム部 1/9
フレーム部 2/9
フレーム部 3/9
フレーム部 4/9
フレーム部 5/9
フレーム部 6/9
フレーム部 7/9
フレーム部 8/9
フレーム部 9/9
ミッション部 1/5
ミッション部 2/5
ミッション部 3/5
ミッション部 4/5
ミッション部 5/5
ギアボックス部 1/1
エースローター(小型管理機)
TR300
カバー部 1/1
全体部 1/1
ロータリー部 1/4
ロータリー部 2/4
ロータリー部 3/4
ロータリー部 4/4
駆動部 1/3
駆動部 2/3
駆動部 3/3
変速部 1/1
エンジン部 1/1
ハンドル部 1/2
ハンドル部 2/2
ミッション部 1/3
ミッション部 2/3
ミッション部 3/3
P35M
ロータリー部
ベルト部
ロータリーカバー部 1/2
ロータリーカバー部 2/2
ハンドル部 1/1
エンジン部 1/1
タイヤ部 1/1
ミッション部 1/3
ミッション部 2/3
ミッション部 3/3
P35M(N)用 ハンドル部・ロータリー部 1/1
P40
ミッション部 1/5
ミッション部 2/5
ミッション部 3/5
ミッション部 4/5
ミッション部 5/5
エンジン部 1/1
ベルト部 1/1
ハンドル部 1/2
ハンドル部 2/2
ロータリー部 1/2
ロータリー部 2/2
シフト部 1/1
タイヤ部 1/1
AR606N/AR606NF
ミッション部 1/4
ミッション部 2/4
ミッション部 3/4
ミッション部 4/4
エンジン・タイヤ部
変速部
ハンドル部 1/2
ハンドル部 2/2
ベルト部 1/2
ベルト部 2/2
ロータリー部 1/3
ロータリー部 2/3
ロータリー部 3/3
AR603/AR703
爪軸部 1/3 S3型中耕ローター
爪軸部 2/3 N3型中耕ローター
爪軸部 3/3 N7型中耕ローター
ロータリー部 1/4
ロータリー部 2/4
ロータリー部 3/4
ロータリー部 4/4
ベルト部 1/2
ベルト部 2/2
ハンドル部 1/4
ハンドル部 2/4
ハンドル部 3/4
ハンドル部 4/4
シフト部 1/2
シフト部 2/2
エンジン部
タイヤ部 1/2 AR603・AR603G
タイヤ部 2/2 AR703
ミッション部 1/6
ミッション部 2/6
ミッション部 3/6
ミッション部 4/6
ミッション部 5/6
ミッション部 6/6
AR450/AR650
ハンドル部 1/2
ハンドル部 2/2
ミッション部 1/4
ミッション部 2/4
ミッション部 3/4
ミッション部 4/4
ベルト部 1/1
ロータリー部 1/3
ロータリー部 2/3
ロータリー部 3/3
エンジン部 1/1
変速部 1/1
タイヤ部 1/1
AR300
カウンターケース部 1/1
ロータリー部 1/3
ロータリー部 2/3
ロータリー部 3/3
ベルト部 1/2
ベルト部 2/2
ハンドル部 1/1
タイヤ部 1/1
エンジン部 1/1
ミッション部 1/3
ミッション部 2/3
ミッション部 3/3
AR400
ベルト部 1/2
ベルト部 2/2
エンジン部 1/1
ハンドル部 1/1
変速部 1/1
タイヤ部 1/1
ロータリー部 1/3
ロータリー部 2/3
ロータリー部 3/3
ミッション部 1/5
ミッション部 2/5
ミッション部 3/5
ミッション部 4/5
ミッション部 5/5
AR660
ベルト部 1/1
変速部 1/1
ハンドル部 1/2
ハンドル部 2/2
エンジン部 1/1
タイヤ部 1/1
ロータリー部 1/3
ロータリー部 2/3
ロータリー部 3/3
ミッション部 1/5
ミッション部 2/5
ミッション部 3/5
ミッション部 4/5
ミッション部 5/5
AR604/AR704
爪軸部 1/3 S3型中耕ローター
爪軸部 2/3 N3型中耕ローター
爪軸部 3/3 N7型中耕ローター
ロータリ部 1/4
ロータリ部 2/4
ロータリ部 3/4
ロータリ部 4/4
ベルト部 1/2
ベルト部 2/2
ハンドル部 1/4
ハンドル部 2/4
ハンドル部 3/4
ハンドル部 4/4
シフト部 1/2
シフト部 2/2
エンジン部
タイヤ部 1/2 AR604
タイヤ部 2/2 AR704
ミッション部 1/6
ミッション部 2/6
ミッション部 3/6
ミッション部 4/6
ミッション部 5/6
ミッション部 6/6
AR607N/AR707NF
ロータリー部 1/3
ロータリー部 2/3
ロータリー部 3/3
ベルト部 1/2
ベルト部 2/2
エンジン部 1/2
エンジン部 2/2
変速部
エンジン・タイヤ部
ミッション部 1/4
ミッション部 2/4
ミッション部 3/4
ミッション部 4/4
AR301
カウンターケース部 1/1
ロータリー部 1/3
ロータリー部 2/3
ロータリー部 3/3
ベルト部 1/2
ベルト部 2/2
エンジン部 1/1
タイヤ部 1/1
エンジン部 1/2
エンジン部 2/2
ミッション部 1/3
ミッション部 2/3
ミッション部 3/3
バーディ(小型管理機)
BXC800/BXC800X
ハンドル部 1/2
ハンドル部 2/2
フレーム部 1/3
フレーム部 2/3
フレーム部 3/3
ミッション部 1/7
ミッション部 2/7
ミッション部 3/7
ミッション部 4/7
ミッション部 5/7
ミッション部 6/7
ミッション部 7/7
ヒッチ部 1/2
ヒッチ部 2/2
ギアボックス 1/1
クローラー部 1/2
クローラー部 2/2
エンジン部 1/1
オプション 斜頸計セット 1/1
オプション ステップセット 1/2
オプション ステップセット 2/2
BX800
ハンドル部 1/2
ハンドル部 2/2
フレーム部 1/3
フレーム部 2/3
フレーム部 3/3
ホイール部 1/2
ホイール部 2/2
ミッション部 1/6
ミッション部 2/6
ミッション部 3/6
ミッション部 4/6
ミッション部 5/6
ミッション部 6/6
ヒッチ部 1/2
ヒッチ部 2/2
ギアボックス部 1/1
エンジン部 1/1
MP750
1/13
2/13
3/13 ギアボックスASSY 詳細
4/13
5/13
6/13
7/13
8/13 ドライブチェーンケースASSY 詳細
9/13
10/13
11/13
12/13